lemon-mirror:
Home >> Lexus >> 2009 >> RX 350 AWD >> Repair and Diagnosis >> Electrical >> Body Electrical >> OEM System Circuits >> Ignition >> Notes

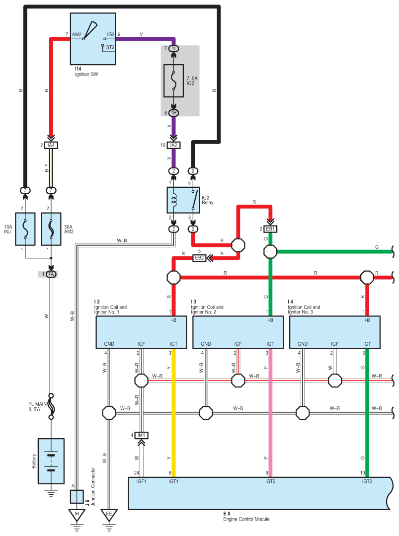
OEM System Circuits: Ignition: Notes

Fig 1: Ignition - Circuit Diagram (1 Of 2)
G07614398Courtesy of © TOYOTA, LICENSE AGREEMENT TMS1002
Fig 2: Ignition - Circuit Diagram (2 Of 2)
G07614399Courtesy of © TOYOTA, LICENSE AGREEMENT TMS1002