lemon-mirror:
Home >> Lexus >> 2009 >> RX 350 FWD >> Repair and Diagnosis >> Electrical >> Body Electrical >> OEM System Circuits >> Illumination >> Notes

OEM System Circuits: Illumination: Notes

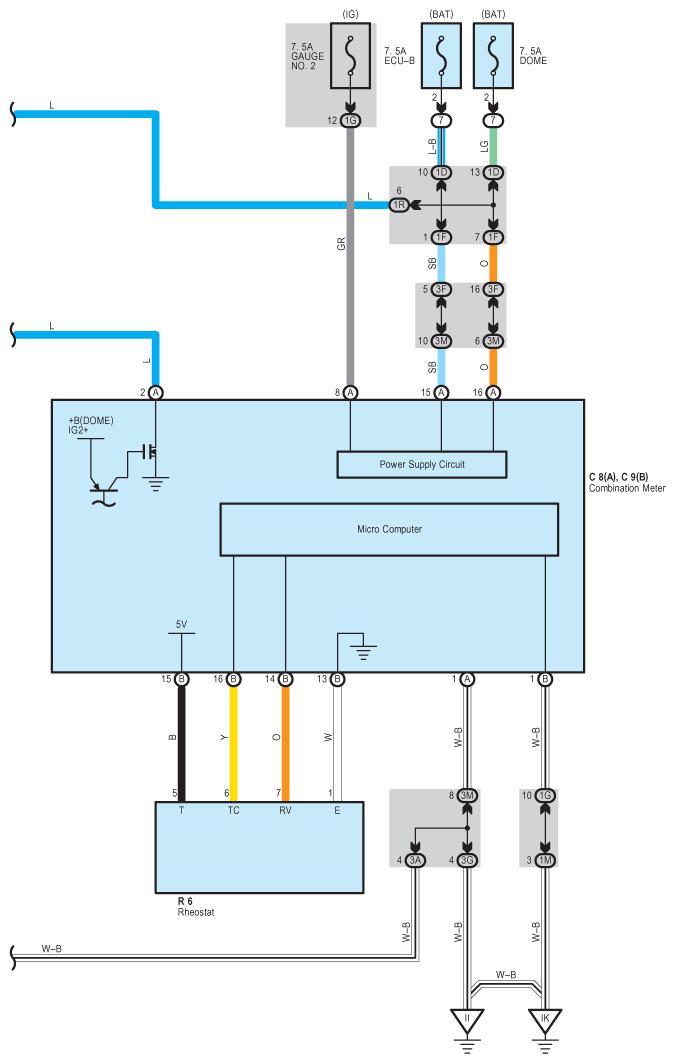
Fig 1: Illumination - Circuit Diagram (1 Of 4)
G07614415Courtesy of © TOYOTA, LICENSE AGREEMENT TMS1002
Fig 2: Illumination - Circuit Diagram (2 Of 4)
G07614416Courtesy of © TOYOTA, LICENSE AGREEMENT TMS1002
Fig 3: Illumination - Circuit Diagram (3 Of 4)
G07614417Courtesy of © TOYOTA, LICENSE AGREEMENT TMS1002
Fig 4: Illumination - Circuit Diagram (4 Of 4)
G07614418Courtesy of © TOYOTA, LICENSE AGREEMENT TMS1002