lemon-mirror:
Home >> Lexus >> 2009 >> RX 350 FWD >> Repair and Diagnosis >> Electrical >> Body Electrical >> OEM System Circuits >> Moon Roof >> Notes

Moon Roof: Notes

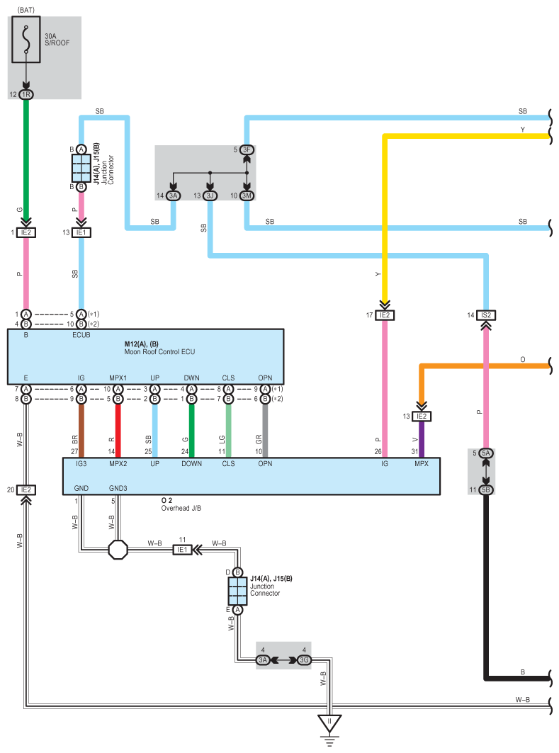
Fig 1: Moon Roof - Circuit Diagram (1 Of 3)
G07614522Courtesy of © TOYOTA, LICENSE AGREEMENT TMS1002
Fig 2: Moon Roof - Circuit Diagram (2 Of 3)
G07614523Courtesy of © TOYOTA, LICENSE AGREEMENT TMS1002
Fig 3: Moon Roof - Circuit Diagram (3 Of 3)
G07614524Courtesy of © TOYOTA, LICENSE AGREEMENT TMS1002