lemon-mirror:
Home >> Lexus >> 2009 >> SC 430 >> Repair and Diagnosis >> Electrical >> Body Electrical >> OEM System Circuits >> Automatic Air Conditioning >> Notes

Automatic Air Conditioning: Notes

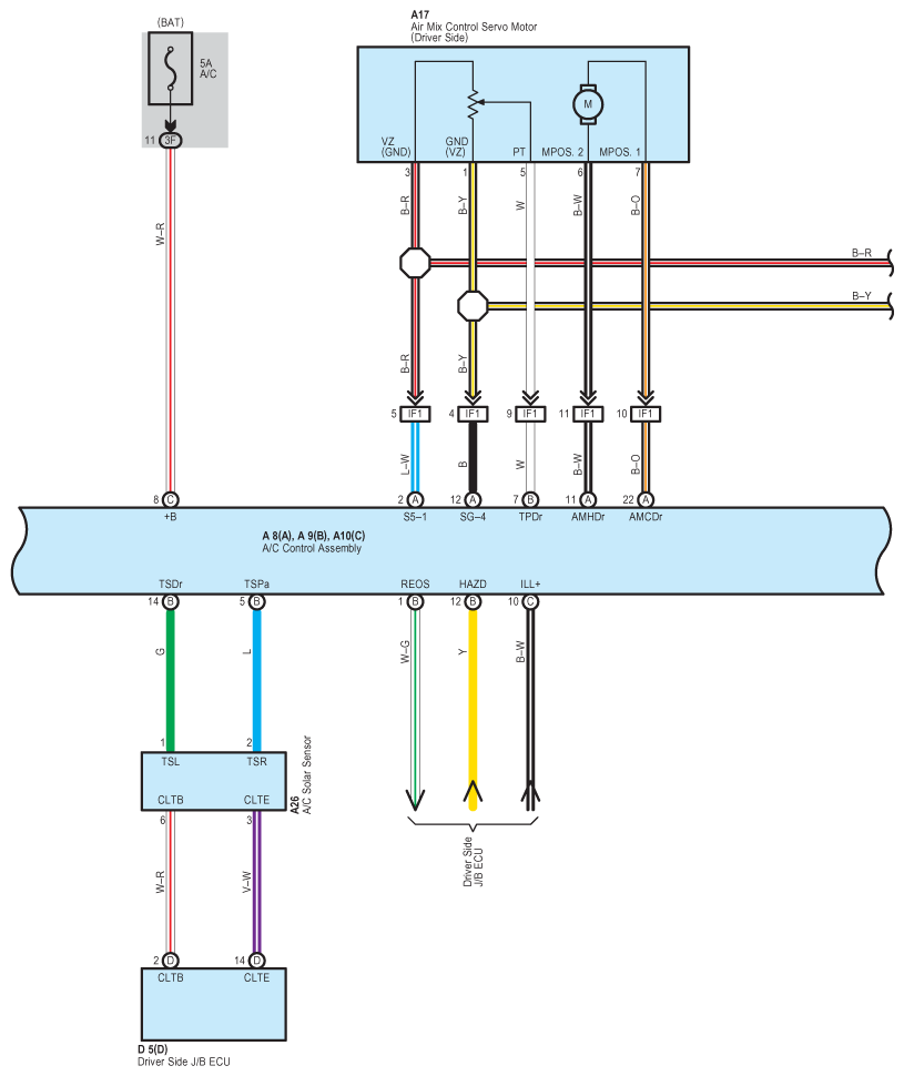
Fig 1: Automatic Air Conditioning - Circuit Diagram (1 Of 5)
G07607831Courtesy of © TOYOTA, LICENSE AGREEMENT TMS1002
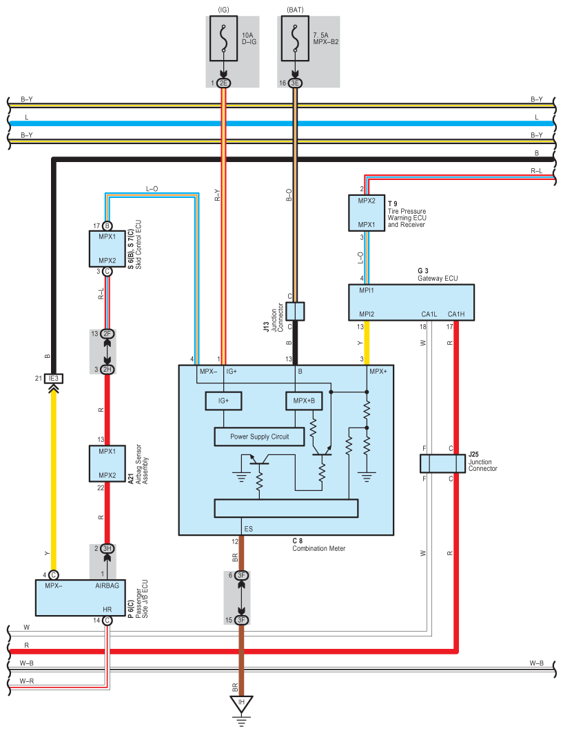
Fig 2: Automatic Air Conditioning - Circuit Diagram (2 Of 5)
G07607832Courtesy of © TOYOTA, LICENSE AGREEMENT TMS1002
Fig 3: Automatic Air Conditioning - Circuit Diagram (3 Of 5)
G07607833Courtesy of © TOYOTA, LICENSE AGREEMENT TMS1002
Fig 4: Automatic Air Conditioning - Circuit Diagram (4 Of 5)
G07607834Courtesy of © TOYOTA, LICENSE AGREEMENT TMS1002
Fig 5: Automatic Air Conditioning - Circuit Diagram (5 Of 5)
G07607835Courtesy of © TOYOTA, LICENSE AGREEMENT TMS1002