lemon-mirror:
Home >> Lexus >> 2009 >> SC 430 >> Repair and Diagnosis >> Electrical >> Body Electrical >> OEM System Circuits >> Charging >> Notes

OEM System Circuits: Charging: Notes

Fig 1: Charging - Circuit Diagram (1 Of 2)
G07607662Courtesy of © TOYOTA, LICENSE AGREEMENT TMS1002
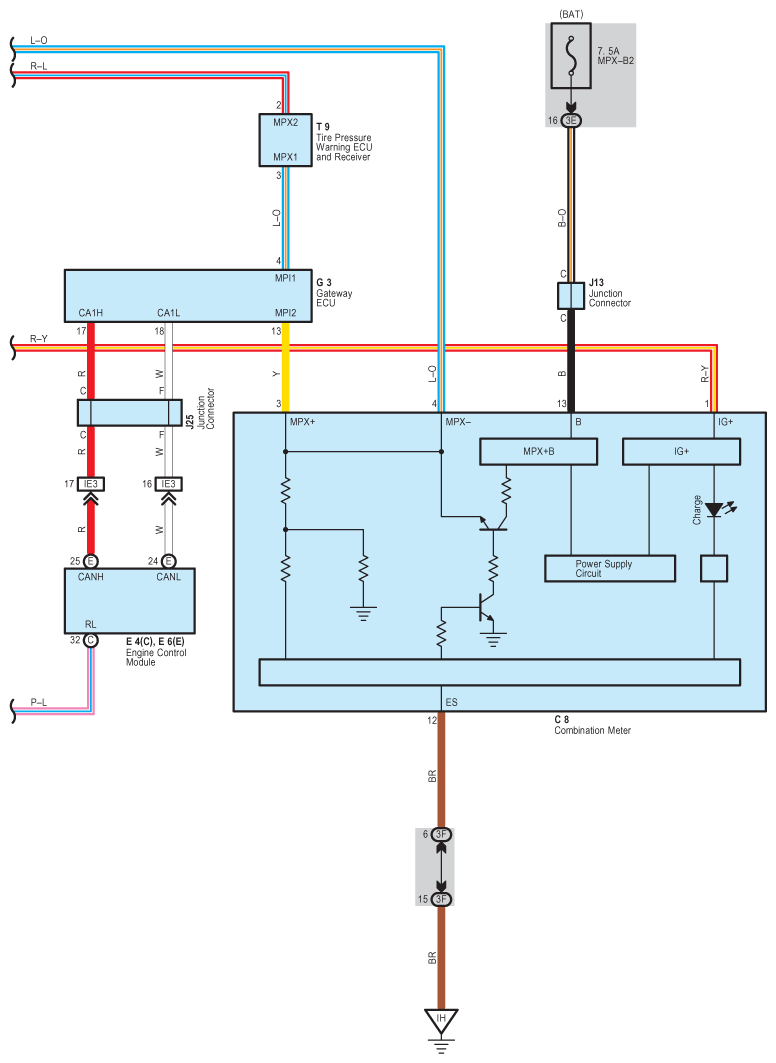
Fig 2: Charging - Circuit Diagram (2 Of 2)
G07607663Courtesy of © TOYOTA, LICENSE AGREEMENT TMS1002