lemon-mirror:
Home >> Lexus >> 2009 >> SC 430 >> Repair and Diagnosis >> Electrical >> Body Electrical >> OEM System Circuits >> Electronically Controlled Transmission and A/T Indicator >> Notes

Electronically Controlled Transmission and A/T Indicator: Notes

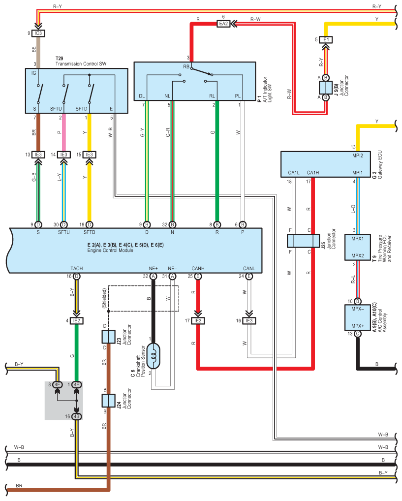
Fig 1: Electronically Controlled Transmission And A/T Indicator - Circuit Diagram (1 Of 6)
G07607770Courtesy of © TOYOTA, LICENSE AGREEMENT TMS1002
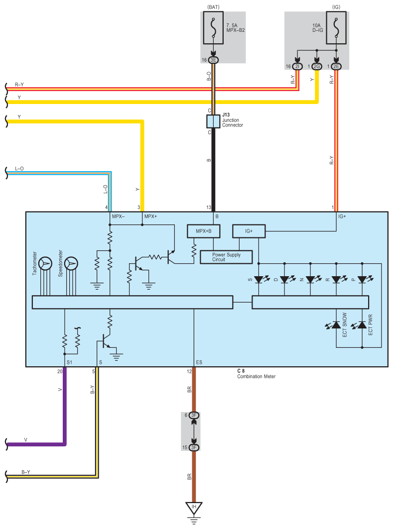
Fig 2: Electronically Controlled Transmission And A/T Indicator - Circuit Diagram (2 Of 6)
G07607771Courtesy of © TOYOTA, LICENSE AGREEMENT TMS1002
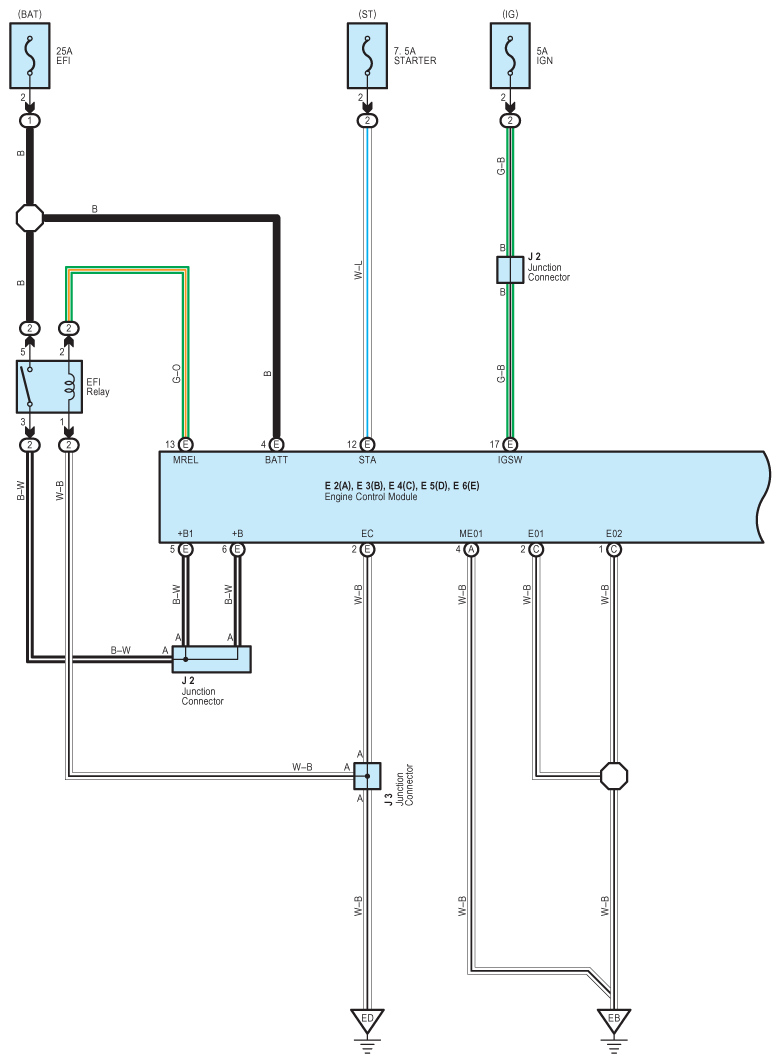
Fig 3: Electronically Controlled Transmission And A/T Indicator - Circuit Diagram (3 Of 6)
G07607772Courtesy of © TOYOTA, LICENSE AGREEMENT TMS1002
Fig 4: Electronically Controlled Transmission And A/T Indicator - Circuit Diagram (4 Of 6)
G07607773Courtesy of © TOYOTA, LICENSE AGREEMENT TMS1002
Fig 5: Electronically Controlled Transmission And A/T Indicator - Circuit Diagram (5 Of 6)
G07607774Courtesy of © TOYOTA, LICENSE AGREEMENT TMS1002
Fig 6: Electronically Controlled Transmission And A/T Indicator - Circuit Diagram (6 Of 6)
G07607775Courtesy of © TOYOTA, LICENSE AGREEMENT TMS1002