lemon-mirror:
Home >> Lexus >> 2009 >> SC 430 >> Repair and Diagnosis >> Electrical >> Body Electrical >> OEM System Circuits >> Engine Immobiliser System >> Notes

Engine Immobiliser System: Notes

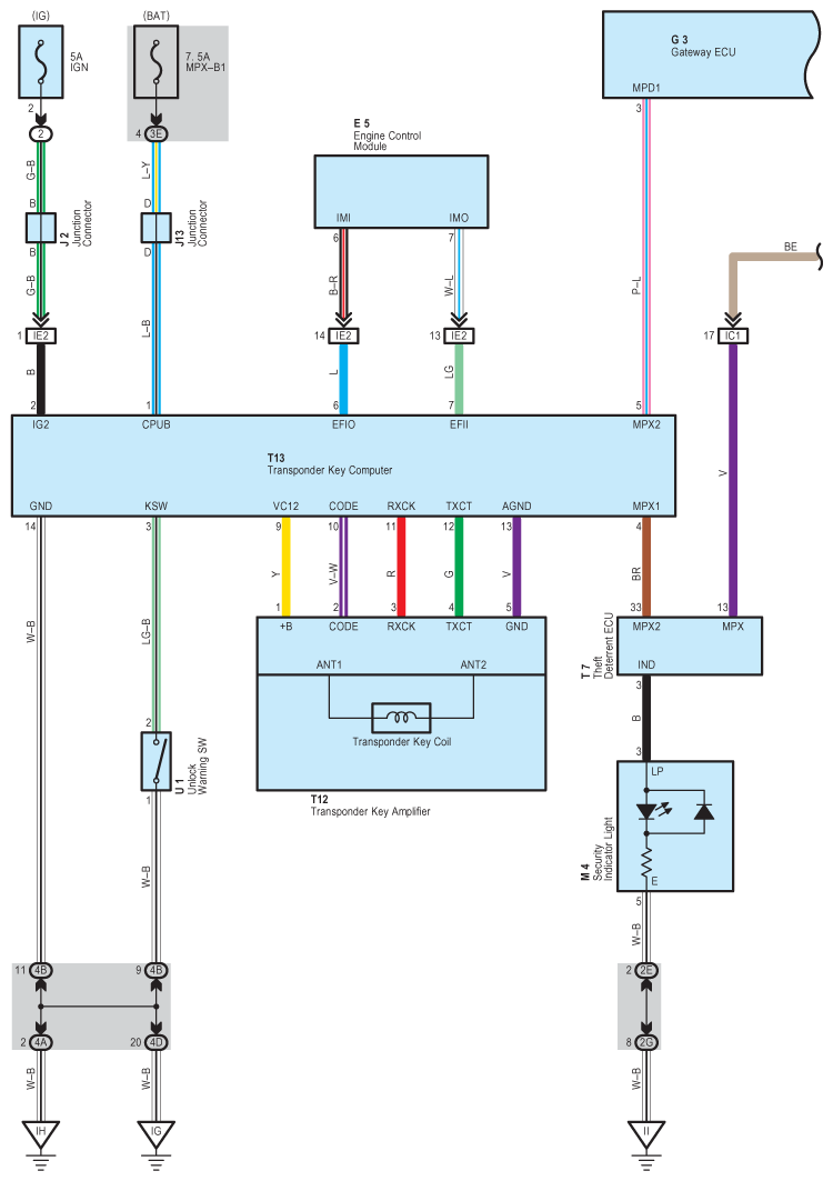
Fig 1: Engine Immobiliser System - Circuit Diagram (1 Of 2)
G07607673Courtesy of © TOYOTA, LICENSE AGREEMENT TMS1002
Fig 2: Engine Immobiliser System - Circuit Diagram (2 Of 2)
G07607674Courtesy of © TOYOTA, LICENSE AGREEMENT TMS1002