lemon-mirror:
Home >> Lexus >> 2009 >> SC 430 >> Repair and Diagnosis >> Electrical >> Body Electrical >> OEM System Circuits >> Power Seat >> Notes

Power Seat: Notes

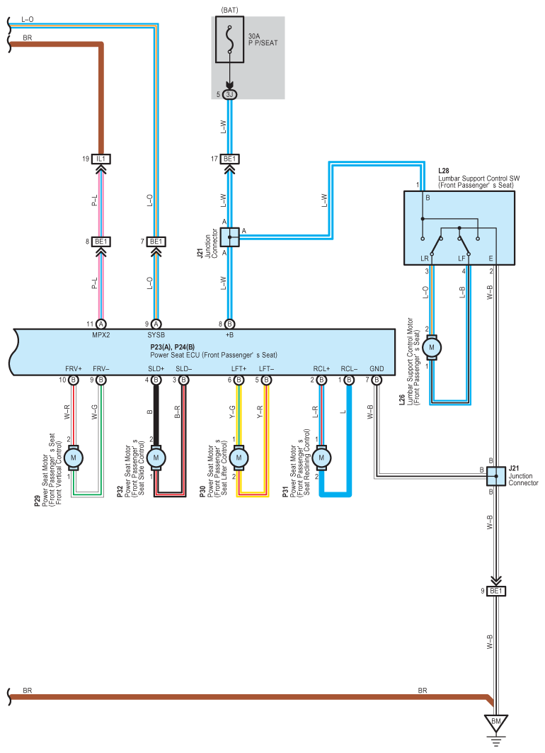
Fig 1: Power Seat - Circuit Diagram (1 Of 4)
G07607802Courtesy of © TOYOTA, LICENSE AGREEMENT TMS1002
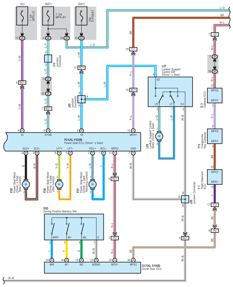
Fig 2: Power Seat - Circuit Diagram (2 Of 4)
G07607803Courtesy of © TOYOTA, LICENSE AGREEMENT TMS1002
Fig 3: Power Seat - Circuit Diagram (3 Of 4)
G07607804Courtesy of © TOYOTA, LICENSE AGREEMENT TMS1002
Fig 4: Power Seat - Circuit Diagram (4 Of 4)
G07607805Courtesy of © TOYOTA, LICENSE AGREEMENT TMS1002