lemon-mirror:
Home >> Lexus >> 2009 >> SC 430 >> Repair and Diagnosis >> Electrical >> Body Electrical >> OEM System Circuits >> Radiator Fan >> Notes

Radiator Fan: Notes

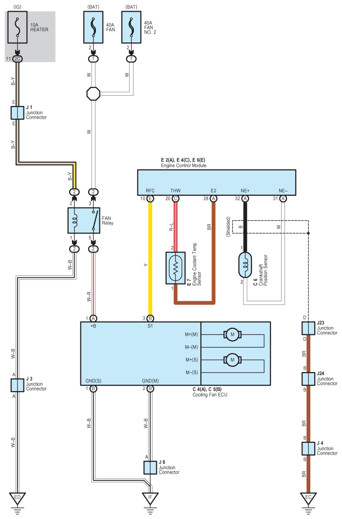
Fig 1: Radiator Fan - Circuit Diagram
G07607830Courtesy of © TOYOTA, LICENSE AGREEMENT TMS1002