lemon-mirror:
Home >> Lexus >> 2009 >> SC 430 >> Repair and Diagnosis >> Electrical >> Body Electrical >> OEM System Circuits >> Stop Light >> Notes

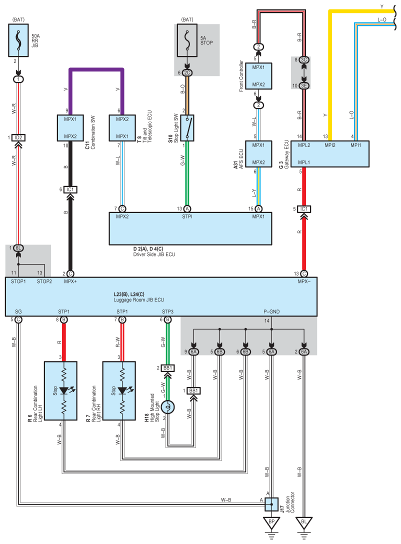
Stop Light: Notes

Fig 1: Stop Light - Circuit Diagram (1 Of 2)
G07607713Courtesy of © TOYOTA, LICENSE AGREEMENT TMS1002
Fig 2: Stop Light - Circuit Diagram (2 Of 2)
G07607714Courtesy of © TOYOTA, LICENSE AGREEMENT TMS1002