lemon-mirror:
Home >> Lexus >> 2010 >> ES 350 >> Repair and Diagnosis >> Electrical >> Body Electrical >> OEM System Circuits >> Charging >> Notes

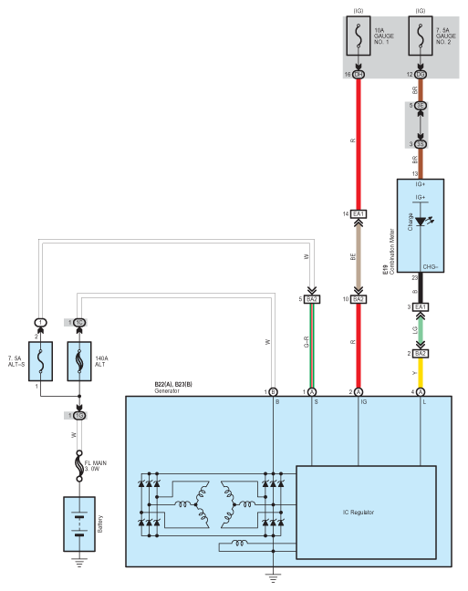
OEM System Circuits: Charging: Notes

Fig 1: Charging - Circuit Diagram
G07550406Courtesy of © TOYOTA, LICENSE AGREEMENT TMS1002