lemon-mirror:
Home >> Lexus >> 2010 >> ES 350 >> Repair and Diagnosis >> Electrical >> Body Electrical >> OEM System Circuits >> Illumination >> Notes

OEM System Circuits: Illumination: Notes

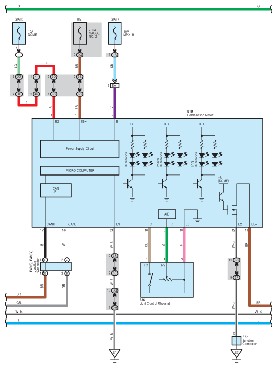
Fig 1: Illumination - Circuit Diagram (1 Of 6)
G07550437Courtesy of © TOYOTA, LICENSE AGREEMENT TMS1002
Fig 2: Illumination - Circuit Diagram (2 Of 6)
G07550438Courtesy of © TOYOTA, LICENSE AGREEMENT TMS1002
Fig 3: Illumination - Circuit Diagram (3 Of 6)
G07550439Courtesy of © TOYOTA, LICENSE AGREEMENT TMS1002
Fig 4: Illumination - Circuit Diagram (4 Of 6)
G07550440Courtesy of © TOYOTA, LICENSE AGREEMENT TMS1002
Fig 5: Illumination - Circuit Diagram (5 Of 6)
G07550441Courtesy of © TOYOTA, LICENSE AGREEMENT TMS1002
Fig 6: Illumination - Circuit Diagram (6 Of 6)
G07550442Courtesy of © TOYOTA, LICENSE AGREEMENT TMS1002