lemon-mirror:
Home >> Lexus >> 2010 >> ES 350 >> Repair and Diagnosis >> Electrical >> Body Electrical >> OEM System Circuits >> Smart Access System with Push-Button Start >> Notes

Smart Access System with Push-Button Start: Notes

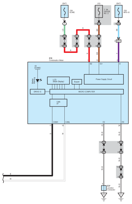
Fig 1: Smart Access System With Push-Button Start - Circuit Diagram (1 Of 18)
G07550388Courtesy of © TOYOTA, LICENSE AGREEMENT TMS1002
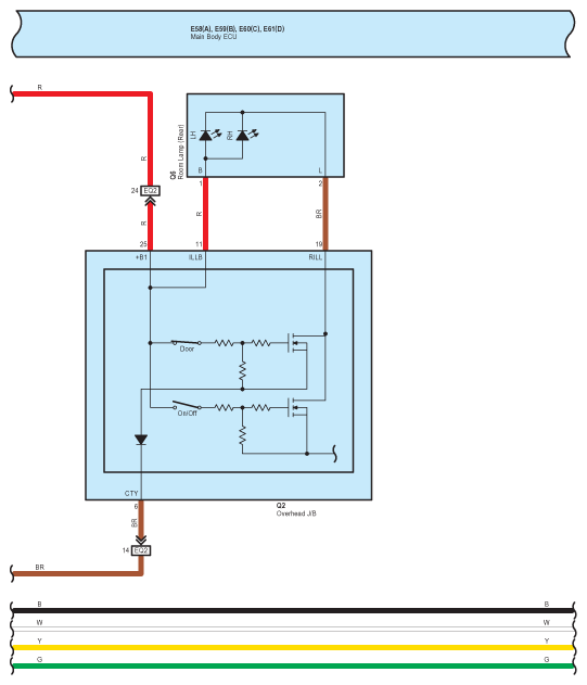
Fig 2: Smart Access System With Push-Button Start - Circuit Diagram (2 Of 18)
G07550389Courtesy of © TOYOTA, LICENSE AGREEMENT TMS1002
Fig 3: Smart Access System With Push-Button Start - Circuit Diagram (3 Of 18)
G07550390Courtesy of © TOYOTA, LICENSE AGREEMENT TMS1002
Fig 4: Smart Access System With Push-Button Start - Circuit Diagram (4 Of 18)
G07550391Courtesy of © TOYOTA, LICENSE AGREEMENT TMS1002
Fig 5: Smart Access System With Push-Button Start - Circuit Diagram (5 Of 18)
G07550392Courtesy of © TOYOTA, LICENSE AGREEMENT TMS1002
Fig 6: Smart Access System With Push-Button Start - Circuit Diagram (6 Of 18)
G07550393Courtesy of © TOYOTA, LICENSE AGREEMENT TMS1002
Fig 7: Smart Access System With Push-Button Start - Circuit Diagram (7 Of 18)
G07550394Courtesy of © TOYOTA, LICENSE AGREEMENT TMS1002
Fig 8: Smart Access System With Push-Button Start - Circuit Diagram (8 Of 18)
G07550395Courtesy of © TOYOTA, LICENSE AGREEMENT TMS1002
Fig 9: Smart Access System With Push-Button Start - Circuit Diagram (9 Of 18)
G07550396Courtesy of © TOYOTA, LICENSE AGREEMENT TMS1002
Fig 10: Smart Access System With Push-Button Start - Circuit Diagram (10 Of 18)
G07550397Courtesy of © TOYOTA, LICENSE AGREEMENT TMS1002
Fig 11: Smart Access System With Push-Button Start - Circuit Diagram (11 Of 18)
G07550398Courtesy of © TOYOTA, LICENSE AGREEMENT TMS1002
Fig 12: Smart Access System With Push-Button Start - Circuit Diagram (12 Of 18)
G07550399Courtesy of © TOYOTA, LICENSE AGREEMENT TMS1002
Fig 13: Smart Access System With Push-Button Start - Circuit Diagram (13 Of 18)
G07550400Courtesy of © TOYOTA, LICENSE AGREEMENT TMS1002
Fig 14: Smart Access System With Push-Button Start - Circuit Diagram (14 Of 18)
G07550401Courtesy of © TOYOTA, LICENSE AGREEMENT TMS1002
Fig 15: Smart Access System With Push-Button Start - Circuit Diagram (15 Of 18)
G07550402Courtesy of © TOYOTA, LICENSE AGREEMENT TMS1002
Fig 16: Smart Access System With Push-Button Start - Circuit Diagram (16 Of 18)
G07550403Courtesy of © TOYOTA, LICENSE AGREEMENT TMS1002
Fig 17: Smart Access System With Push-Button Start - Circuit Diagram (17 Of 18)
G07550404Courtesy of © TOYOTA, LICENSE AGREEMENT TMS1002
Fig 18: Smart Access System With Push-Button Start - Circuit Diagram (18 Of 18)
G07550405Courtesy of © TOYOTA, LICENSE AGREEMENT TMS1002