lemon-mirror:
Home >> Lexus >> 2010 >> ES 350 >> Repair and Diagnosis >> Electrical >> Body Electrical >> OEM System Circuits >> Theft Deterrent >> Notes

Theft Deterrent: Notes

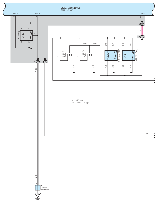
Fig 1: Theft Deterrent - Circuit Diagram (1 Of 9)
G07550480Courtesy of © TOYOTA, LICENSE AGREEMENT TMS1002
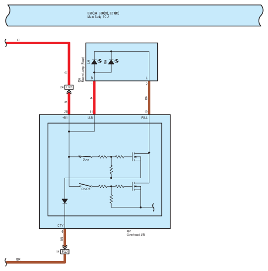
Fig 2: Theft Deterrent - Circuit Diagram (2 Of 9)
G07550481Courtesy of © TOYOTA, LICENSE AGREEMENT TMS1002
Fig 3: Theft Deterrent - Circuit Diagram (3 Of 9)
G07550482Courtesy of © TOYOTA, LICENSE AGREEMENT TMS1002
Fig 4: Theft Deterrent - Circuit Diagram (4 Of 9)
G07550483Courtesy of © TOYOTA, LICENSE AGREEMENT TMS1002
Fig 5: Theft Deterrent - Circuit Diagram (5 Of 9)
G07550484Courtesy of © TOYOTA, LICENSE AGREEMENT TMS1002
Fig 6: Theft Deterrent - Circuit Diagram (6 Of 9)
G07550485Courtesy of © TOYOTA, LICENSE AGREEMENT TMS1002
Fig 7: Theft Deterrent - Circuit Diagram (7 Of 9)
G07550486Courtesy of © TOYOTA, LICENSE AGREEMENT TMS1002
Fig 8: Theft Deterrent - Circuit Diagram (8 Of 9)
G07550487Courtesy of © TOYOTA, LICENSE AGREEMENT TMS1002
Fig 9: Theft Deterrent - Circuit Diagram (9 Of 9)
G07550488Courtesy of © TOYOTA, LICENSE AGREEMENT TMS1002