lemon-mirror:
Home >> Lexus >> 2010 >> GS 450h >> Repair and Diagnosis >> Electrical >> Body Electrical >> OEM System Circuits >> Active Stabilizer Suspension System >> Notes

Active Stabilizer Suspension System: Notes

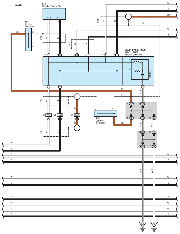
Fig 1: Active Stabilizer Suspension System - Wiring Diagram (1 Of 10)
G07557989Courtesy of © TOYOTA, LICENSE AGREEMENT TMS1002
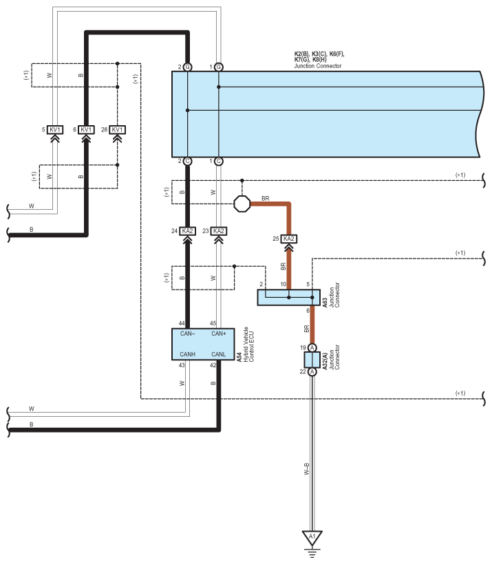
Fig 2: Active Stabilizer Suspension System - Wiring Diagram (2 Of 10)
G07557990Courtesy of © TOYOTA, LICENSE AGREEMENT TMS1002
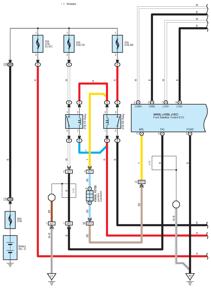
Fig 3: Active Stabilizer Suspension System - Wiring Diagram (3 Of 10)
G07557991Courtesy of © TOYOTA, LICENSE AGREEMENT TMS1002
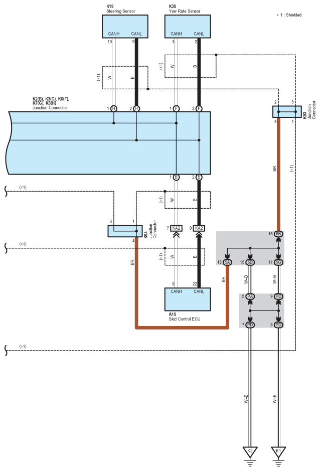
Fig 4: Active Stabilizer Suspension System - Wiring Diagram (4 Of 10)
G07557992Courtesy of © TOYOTA, LICENSE AGREEMENT TMS1002
Fig 5: Active Stabilizer Suspension System - Wiring Diagram (5 Of 10)
G07557993Courtesy of © TOYOTA, LICENSE AGREEMENT TMS1002
Fig 6: Active Stabilizer Suspension System - Wiring Diagram (6 Of 10)
G07557994Courtesy of © TOYOTA, LICENSE AGREEMENT TMS1002
Fig 7: Active Stabilizer Suspension System - Wiring Diagram (7 Of 10)
G07557995Courtesy of © TOYOTA, LICENSE AGREEMENT TMS1002
Fig 8: Active Stabilizer Suspension System - Wiring Diagram (8 Of 10)
G07557996Courtesy of © TOYOTA, LICENSE AGREEMENT TMS1002
Fig 9: Active Stabilizer Suspension System - Wiring Diagram (9 Of 10)
G07557997Courtesy of © TOYOTA, LICENSE AGREEMENT TMS1002
Fig 10: Active Stabilizer Suspension System - Wiring Diagram (10 Of 10)
G07557998Courtesy of © TOYOTA, LICENSE AGREEMENT TMS1002