lemon-mirror:
Home >> Lexus >> 2010 >> GS 450h >> Repair and Diagnosis >> Electrical >> Body Electrical >> OEM System Circuits >> Climate Control Seat >> Notes

Climate Control Seat: Notes

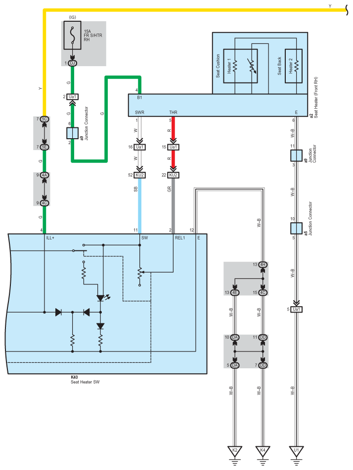
Fig 1: Climate Control Seat - Wiring Diagram (1 Of 5)
G07558053Courtesy of © TOYOTA, LICENSE AGREEMENT TMS1002
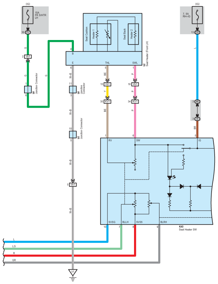
Fig 2: Climate Control Seat - Wiring Diagram (2 Of 5)
G07558054Courtesy of © TOYOTA, LICENSE AGREEMENT TMS1002
Fig 3: Climate Control Seat - Wiring Diagram (3 Of 5)
G07558055Courtesy of © TOYOTA, LICENSE AGREEMENT TMS1002
Fig 4: Climate Control Seat - Wiring Diagram (4 Of 5)
G07558056Courtesy of © TOYOTA, LICENSE AGREEMENT TMS1002
Fig 5: Climate Control Seat - Wiring Diagram (5 Of 5)
G07558057Courtesy of © TOYOTA, LICENSE AGREEMENT TMS1002