lemon-mirror:
Home >> Lexus >> 2010 >> GS 450h >> Repair and Diagnosis >> Electrical >> Body Electrical >> OEM System Circuits >> Data Link Connector 3 >> Notes

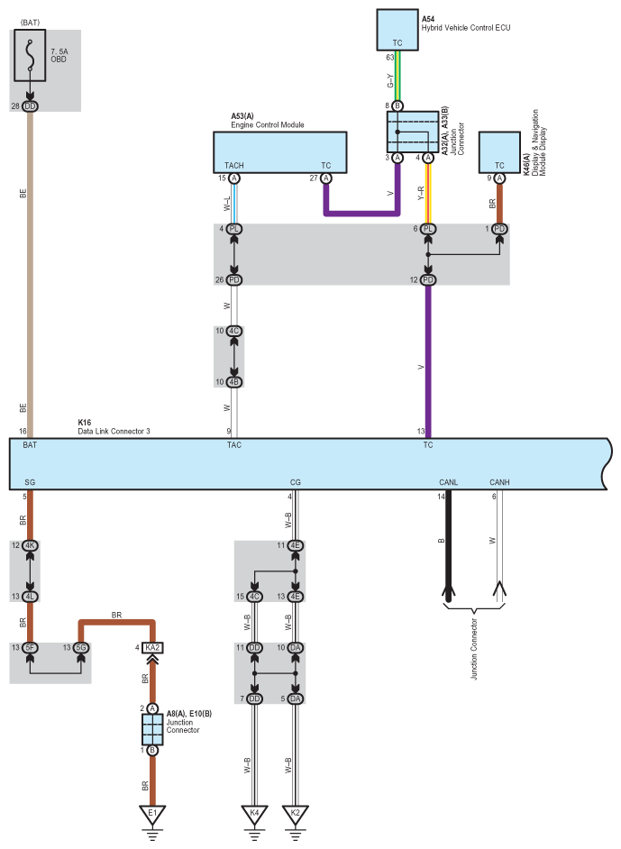
Data Link Connector 3: Notes

Fig 1: Data Link Connector 3 - Wiring Diagram (1 Of 2)
G07557781Courtesy of © TOYOTA, LICENSE AGREEMENT TMS1002
Fig 2: Data Link Connector 3 - Wiring Diagram (2 Of 2)
G07557782Courtesy of © TOYOTA, LICENSE AGREEMENT TMS1002