lemon-mirror:
Home >> Lexus >> 2010 >> GS 450h >> Repair and Diagnosis >> Electrical >> Body Electrical >> OEM System Circuits >> EPS >> Notes

OEM System Circuits: EPS: Notes

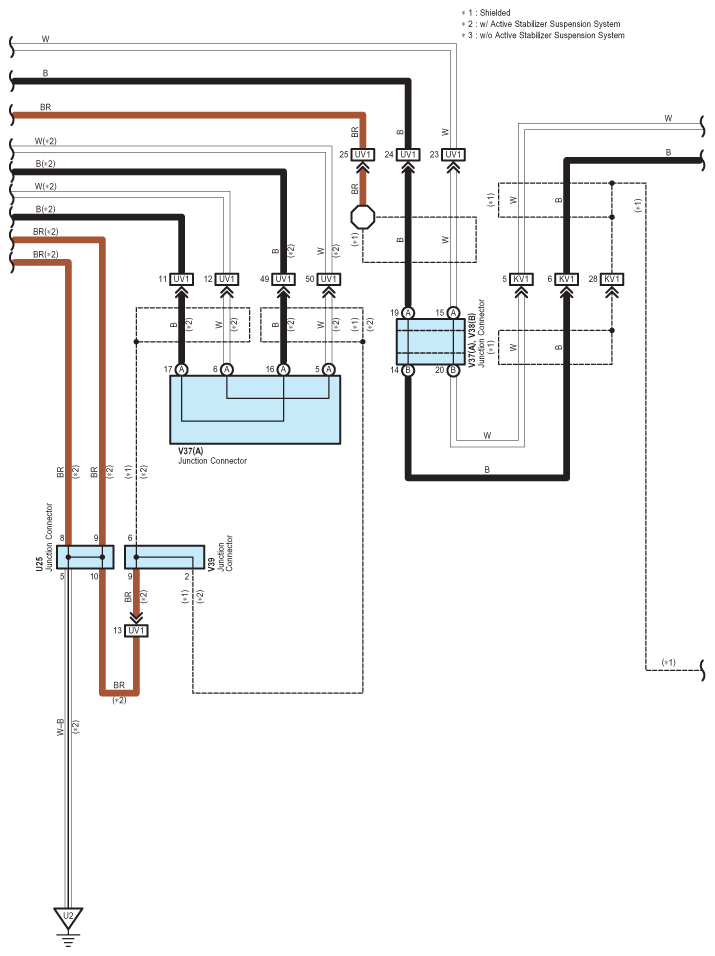
Fig 1: EPS - Wiring Diagram (1 Of 7)
G07557953Courtesy of © TOYOTA, LICENSE AGREEMENT TMS1002
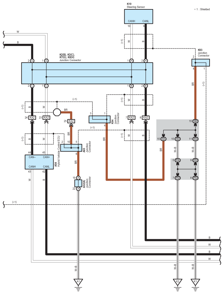
Fig 2: EPS - Wiring Diagram (2 Of 7)
G07557954Courtesy of © TOYOTA, LICENSE AGREEMENT TMS1002
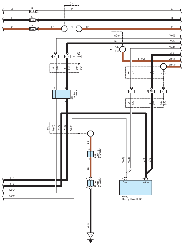
Fig 3: EPS - Wiring Diagram (3 Of 7)
G07557955Courtesy of © TOYOTA, LICENSE AGREEMENT TMS1002
Fig 4: EPS - Wiring Diagram (4 Of 7)
G07557956Courtesy of © TOYOTA, LICENSE AGREEMENT TMS1002
Fig 5: EPS - Wiring Diagram (5 Of 7)
G07557957Courtesy of © TOYOTA, LICENSE AGREEMENT TMS1002
Fig 6: EPS - Wiring Diagram (6 Of 7)
G07557958Courtesy of © TOYOTA, LICENSE AGREEMENT TMS1002
Fig 7: EPS - Wiring Diagram (7 Of 7)
G07557959Courtesy of © TOYOTA, LICENSE AGREEMENT TMS1002