lemon-mirror:
Home >> Lexus >> 2010 >> GS 450h >> Repair and Diagnosis >> Electrical >> Body Electrical >> OEM System Circuits >> Electronic Modulated Suspension >> Notes

Electronic Modulated Suspension: Notes

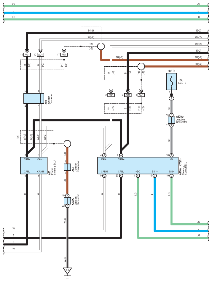
Fig 1: Electronic Modulated Suspension - Wiring Diagram (1 Of 10)
G07557999Courtesy of © TOYOTA, LICENSE AGREEMENT TMS1002
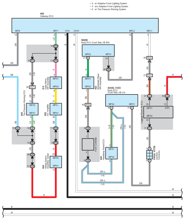
Fig 2: Electronic Modulated Suspension - Wiring Diagram (2 Of 10)
G07558000Courtesy of © TOYOTA, LICENSE AGREEMENT TMS1002
Fig 3: Electronic Modulated Suspension - Wiring Diagram (3 Of 10)
G07558001Courtesy of © TOYOTA, LICENSE AGREEMENT TMS1002
Fig 4: Electronic Modulated Suspension - Wiring Diagram (4 Of 10)
G07558002Courtesy of © TOYOTA, LICENSE AGREEMENT TMS1002
Fig 5: Electronic Modulated Suspension - Wiring Diagram (5 Of 10)
G07558003Courtesy of © TOYOTA, LICENSE AGREEMENT TMS1002
Fig 6: Electronic Modulated Suspension - Wiring Diagram (6 Of 10)
G07558004Courtesy of © TOYOTA, LICENSE AGREEMENT TMS1002
Fig 7: Electronic Modulated Suspension - Wiring Diagram (7 Of 10)
G07558005Courtesy of © TOYOTA, LICENSE AGREEMENT TMS1002
Fig 8: Electronic Modulated Suspension - Wiring Diagram (8 Of 10)
G07558006Courtesy of © TOYOTA, LICENSE AGREEMENT TMS1002
Fig 9: Electronic Modulated Suspension - Wiring Diagram (9 Of 10)
G07558007Courtesy of © TOYOTA, LICENSE AGREEMENT TMS1002
Fig 10: Electronic Modulated Suspension - Wiring Diagram (10 Of 10)
G07558008Courtesy of © TOYOTA, LICENSE AGREEMENT TMS1002