lemon-mirror:
Home >> Lexus >> 2010 >> GS 450h >> Repair and Diagnosis >> Electrical >> Body Electrical >> OEM System Circuits >> Headlight Beam Level Control >> Notes

Headlight Beam Level Control: Notes

Fig 1: Headlight Beam Level Control - Wiring Diagram (1 Of 4)
G07557857Courtesy of © TOYOTA, LICENSE AGREEMENT TMS1002
Fig 2: Headlight Beam Level Control - Wiring Diagram (2 Of 4)
G07557858Courtesy of © TOYOTA, LICENSE AGREEMENT TMS1002
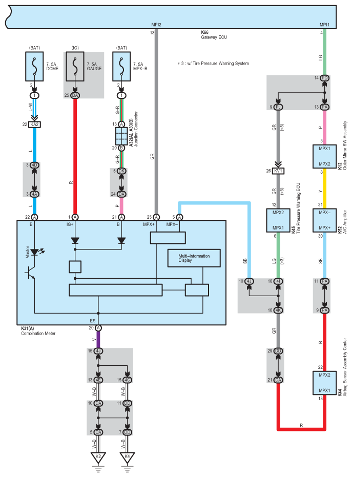
Fig 3: Headlight Beam Level Control - Wiring Diagram (3 Of 4)
G07557859Courtesy of © TOYOTA, LICENSE AGREEMENT TMS1002
Fig 4: Headlight Beam Level Control - Wiring Diagram (4 Of 4)
G07557860Courtesy of © TOYOTA, LICENSE AGREEMENT TMS1002