lemon-mirror:
Home >> Lexus >> 2010 >> GS 450h >> Repair and Diagnosis >> Electrical >> Body Electrical >> OEM System Circuits >> Horn >> Notes

OEM System Circuits: Horn: Notes

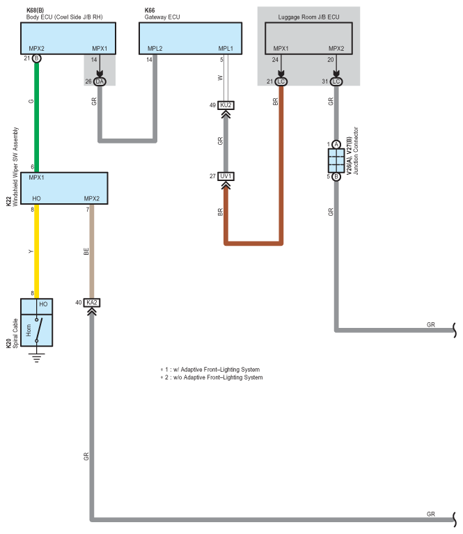
Fig 1: Horn - Wiring Diagram (1 Of 2)
G07558063Courtesy of © TOYOTA, LICENSE AGREEMENT TMS1002
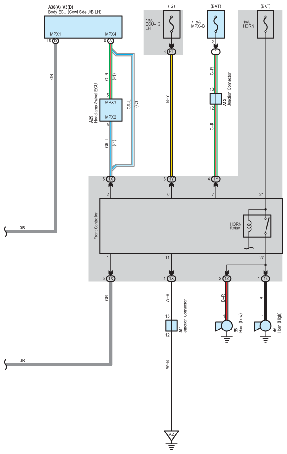
Fig 2: Horn - Wiring Diagram (2 Of 2)
G07558064Courtesy of © TOYOTA, LICENSE AGREEMENT TMS1002