lemon-mirror:
Home >> Lexus >> 2010 >> GS 450h >> Repair and Diagnosis >> Electrical >> Body Electrical >> OEM System Circuits >> Illumination >> Notes

OEM System Circuits: Illumination: Notes

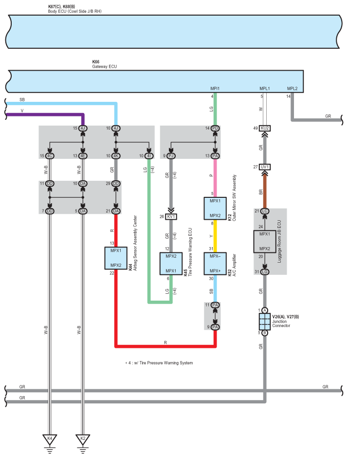
Fig 1: Illumination - Wiring Diagram (1 Of 10)
G07557826Courtesy of © TOYOTA, LICENSE AGREEMENT TMS1002
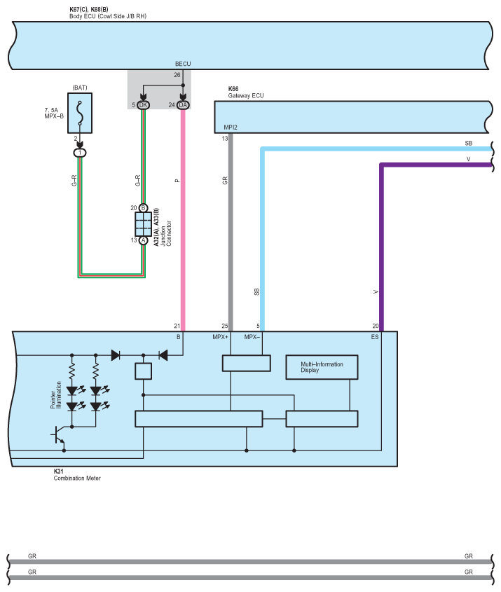
Fig 2: Illumination - Wiring Diagram (2 Of 10)
G07557827Courtesy of © TOYOTA, LICENSE AGREEMENT TMS1002
Fig 3: Illumination - Wiring Diagram (3 Of 10)
G07557828Courtesy of © TOYOTA, LICENSE AGREEMENT TMS1002
Fig 4: Illumination - Wiring Diagram (4 Of 10)
G07557829Courtesy of © TOYOTA, LICENSE AGREEMENT TMS1002
Fig 5: Illumination - Wiring Diagram (5 Of 10)
G07557830Courtesy of © TOYOTA, LICENSE AGREEMENT TMS1002
Fig 6: Illumination - Wiring Diagram (6 Of 10)
G07557831Courtesy of © TOYOTA, LICENSE AGREEMENT TMS1002
Fig 7: Illumination - Wiring Diagram (7 Of 10)
G07557832Courtesy of © TOYOTA, LICENSE AGREEMENT TMS1002
Fig 8: Illumination - Wiring Diagram (8 Of 10)
G07557833Courtesy of © TOYOTA, LICENSE AGREEMENT TMS1002
Fig 9: Illumination - Wiring Diagram (9 Of 10)
G07557834Courtesy of © TOYOTA, LICENSE AGREEMENT TMS1002
Fig 10: Illumination - Wiring Diagram (10 Of 10)
G07557835Courtesy of © TOYOTA, LICENSE AGREEMENT TMS1002