lemon-mirror:
Home >> Lexus >> 2010 >> GS 450h >> Repair and Diagnosis >> Electrical >> Body Electrical >> OEM System Circuits >> Interior Light >> Notes

Interior Light: Notes

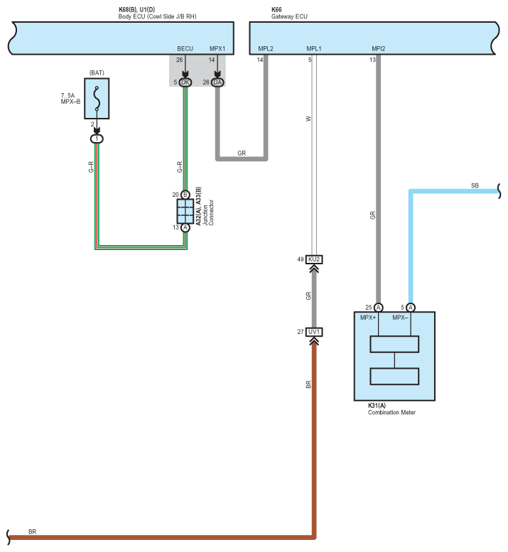
Fig 1: Interior Light - Wiring Diagram (1 Of 14)
G07557803Courtesy of © TOYOTA, LICENSE AGREEMENT TMS1002
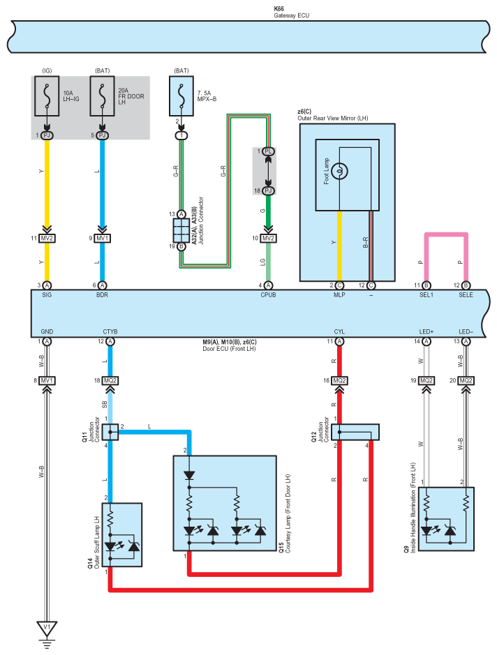
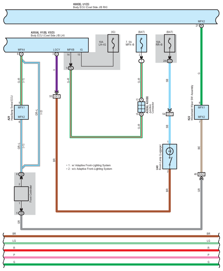
Fig 2: Interior Light - Wiring Diagram (2 Of 14)
G07557804Courtesy of © TOYOTA, LICENSE AGREEMENT TMS1002
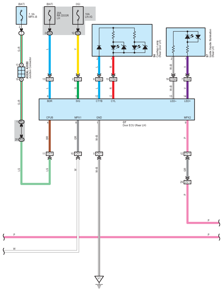
Fig 3: Interior Light - Wiring Diagram (3 Of 14)
G07557805Courtesy of © TOYOTA, LICENSE AGREEMENT TMS1002
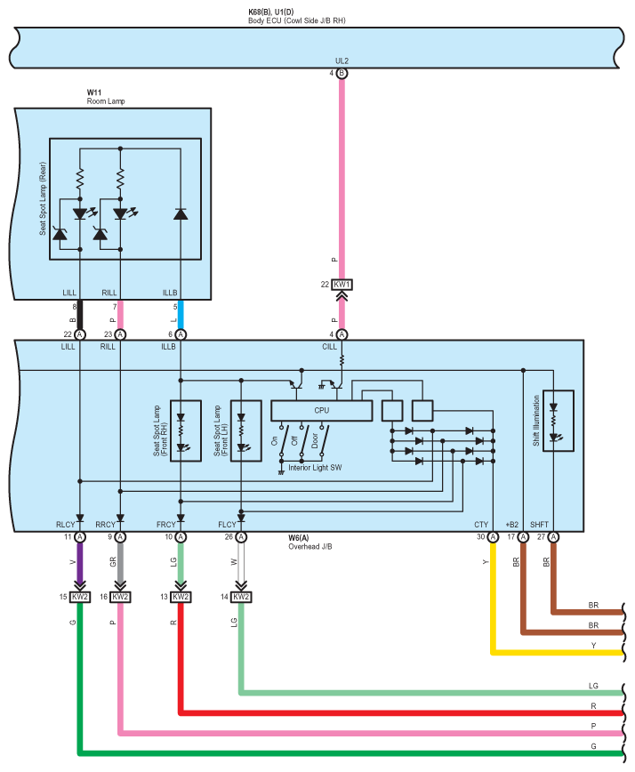
Fig 4: Interior Light - Wiring Diagram (4 Of 14)
G07557806Courtesy of © TOYOTA, LICENSE AGREEMENT TMS1002
Fig 5: Interior Light - Wiring Diagram (5 Of 14)
G07557807Courtesy of © TOYOTA, LICENSE AGREEMENT TMS1002
Fig 6: Interior Light - Wiring Diagram (6 Of 14)
G07557808Courtesy of © TOYOTA, LICENSE AGREEMENT TMS1002
Fig 7: Interior Light - Wiring Diagram (7 Of 14)
G07557809Courtesy of © TOYOTA, LICENSE AGREEMENT TMS1002
Fig 8: Interior Light - Wiring Diagram (8 Of 14)
G07557810Courtesy of © TOYOTA, LICENSE AGREEMENT TMS1002
Fig 9: Interior Light - Wiring Diagram (9 Of 14)
G07557811Courtesy of © TOYOTA, LICENSE AGREEMENT TMS1002
Fig 10: Interior Light - Wiring Diagram (10 Of 14)
G07557812Courtesy of © TOYOTA, LICENSE AGREEMENT TMS1002
Fig 11: Interior Light - Wiring Diagram (11 Of 14)
G07557813Courtesy of © TOYOTA, LICENSE AGREEMENT TMS1002
Fig 12: Interior Light - Wiring Diagram (12 Of 14)
G07557814Courtesy of © TOYOTA, LICENSE AGREEMENT TMS1002
Fig 13: Interior Light - Wiring Diagram (13 Of 14)
G07557815Courtesy of © TOYOTA, LICENSE AGREEMENT TMS1002
Fig 14: Interior Light - Wiring Diagram (14 Of 14)
G07557816Courtesy of © TOYOTA, LICENSE AGREEMENT TMS1002