lemon-mirror:
Home >> Lexus >> 2010 >> GS 450h >> Repair and Diagnosis >> Electrical >> Body Electrical >> OEM System Circuits >> Mirror Heater >> Notes

Mirror Heater: Notes

Fig 1: Mirror Heater - Wiring Diagram (1 Of 3)
G07558070Courtesy of © TOYOTA, LICENSE AGREEMENT TMS1002
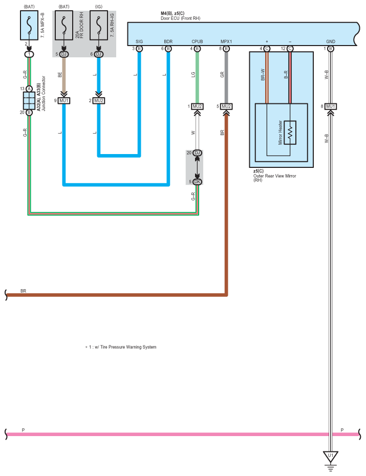
Fig 2: Mirror Heater - Wiring Diagram (2 Of 3)
G07558071Courtesy of © TOYOTA, LICENSE AGREEMENT TMS1002
Fig 3: Mirror Heater - Wiring Diagram (3 Of 3)
G07558072Courtesy of © TOYOTA, LICENSE AGREEMENT TMS1002