lemon-mirror:
Home >> Lexus >> 2010 >> GS 450h >> Repair and Diagnosis >> Electrical >> Body Electrical >> OEM System Circuits >> Pre-Collision System >> Notes

Pre-Collision System: Notes

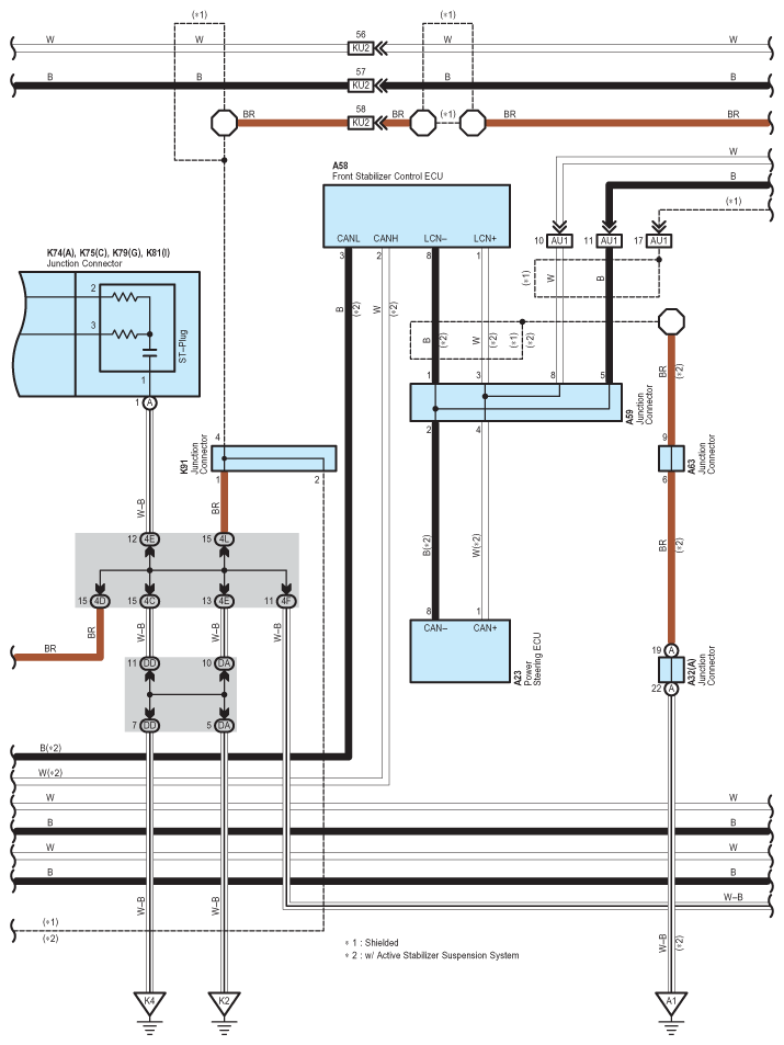
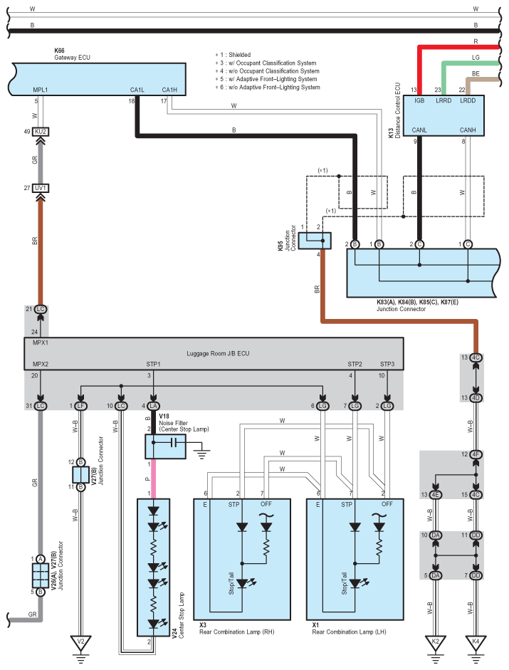
Fig 1: Pre-Collision System - Wiring Diagram (1 Of 10)
G07557979Courtesy of © TOYOTA, LICENSE AGREEMENT TMS1002
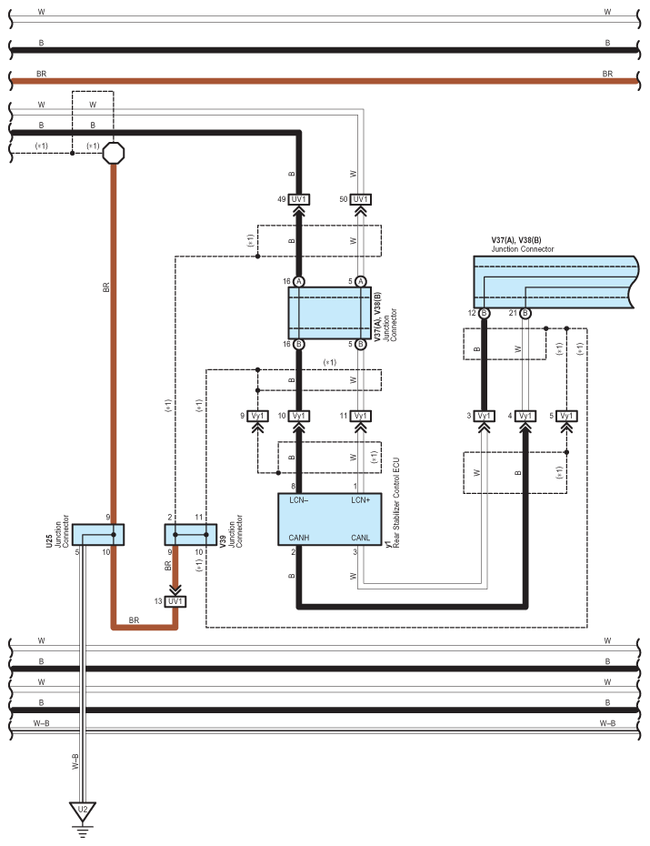
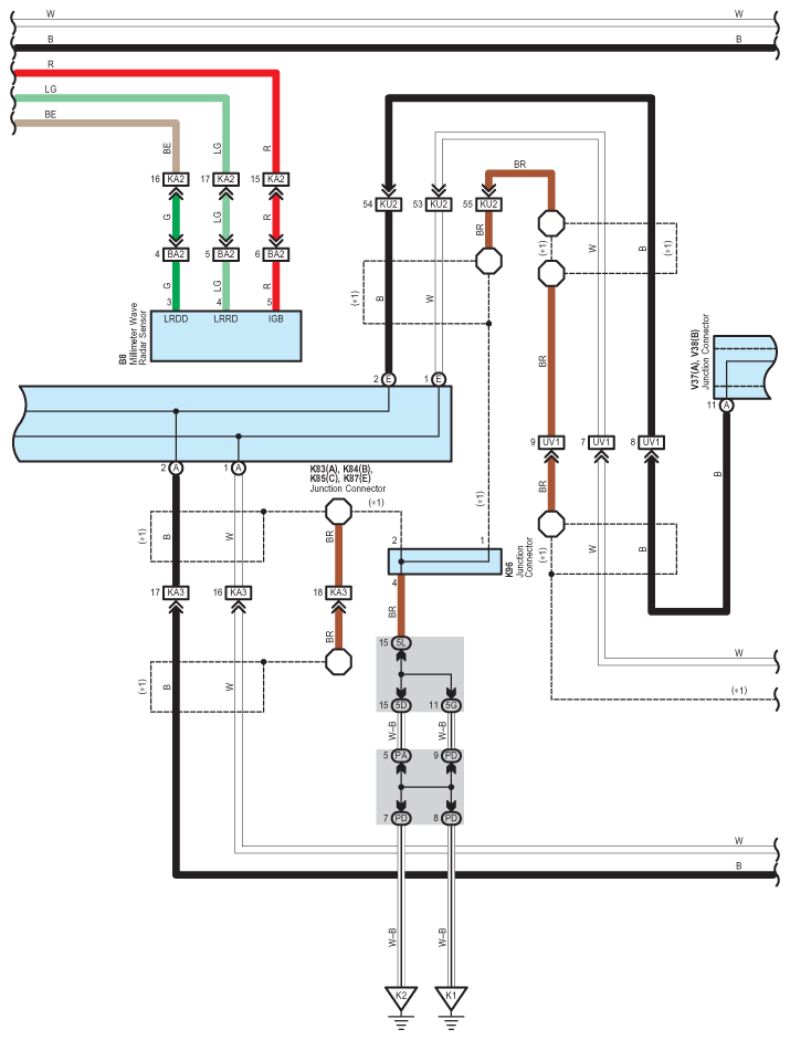
Fig 2: Pre-Collision System - Wiring Diagram (2 Of 10)
G07557980Courtesy of © TOYOTA, LICENSE AGREEMENT TMS1002
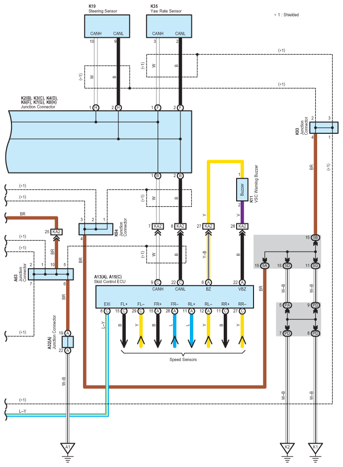
Fig 3: Pre-Collision System - Wiring Diagram (3 Of 10)
G07557981Courtesy of © TOYOTA, LICENSE AGREEMENT TMS1002
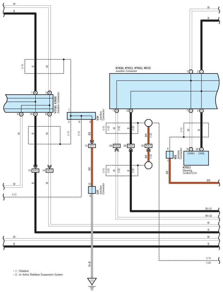
Fig 4: Pre-Collision System - Wiring Diagram (4 Of 10)
G07557982Courtesy of © TOYOTA, LICENSE AGREEMENT TMS1002
Fig 5: Pre-Collision System - Wiring Diagram (5 Of 10)
G07557983Courtesy of © TOYOTA, LICENSE AGREEMENT TMS1002
Fig 6: Pre-Collision System - Wiring Diagram (6 Of 10)
G07557984Courtesy of © TOYOTA, LICENSE AGREEMENT TMS1002
Fig 7: Pre-Collision System - Wiring Diagram (7 Of 10)
G07557985Courtesy of © TOYOTA, LICENSE AGREEMENT TMS1002
Fig 8: Pre-Collision System - Wiring Diagram (8 Of 10)
G07557986Courtesy of © TOYOTA, LICENSE AGREEMENT TMS1002
Fig 9: Pre-Collision System - Wiring Diagram (9 Of 10)
G07557987Courtesy of © TOYOTA, LICENSE AGREEMENT TMS1002
Fig 10: Pre-Collision System - Wiring Diagram (10 Of 10)
G07557988Courtesy of © TOYOTA, LICENSE AGREEMENT TMS1002