lemon-mirror:
Home >> Lexus >> 2010 >> GS 450h >> Repair and Diagnosis >> Electrical >> Body Electrical >> OEM System Circuits >> SRS >> Notes

OEM System Circuits: SRS: Notes

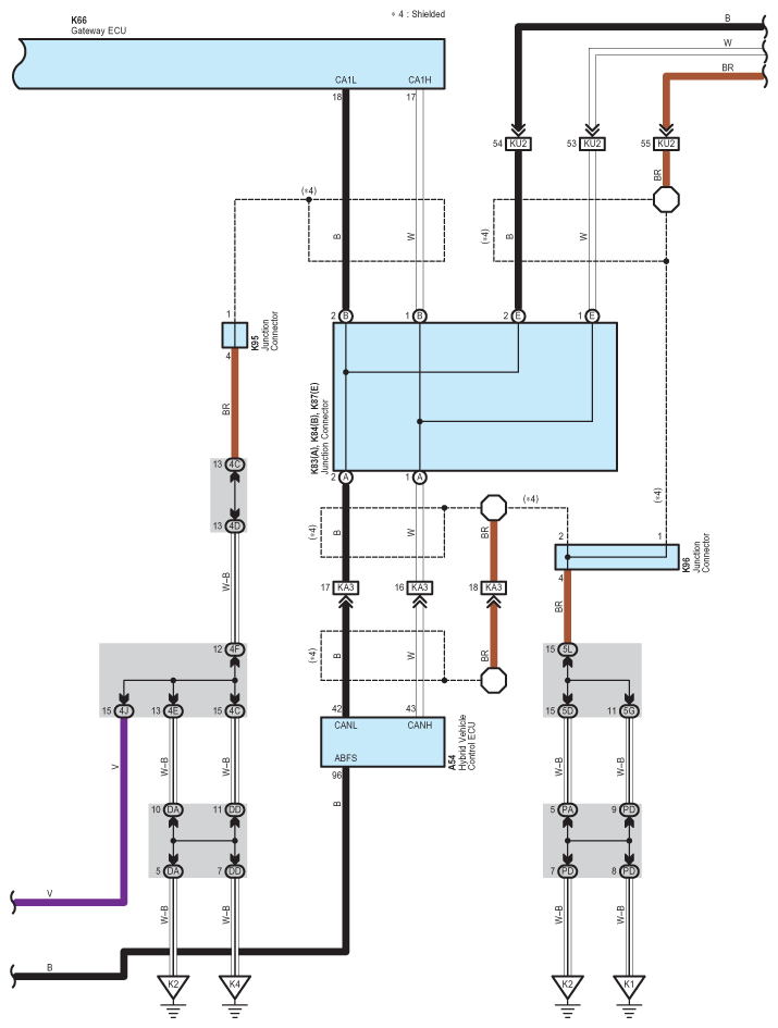
Fig 1: SRS - Wiring Diagram (1 Of 10)
G07557969Courtesy of © TOYOTA, LICENSE AGREEMENT TMS1002
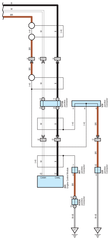
Fig 2: SRS - Wiring Diagram (2 Of 10)
G07557970Courtesy of © TOYOTA, LICENSE AGREEMENT TMS1002
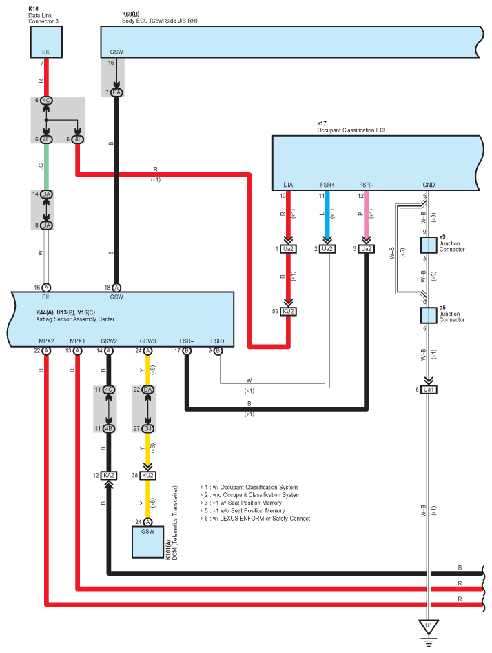
Fig 3: SRS - Wiring Diagram (3 Of 10)
G07557971Courtesy of © TOYOTA, LICENSE AGREEMENT TMS1002
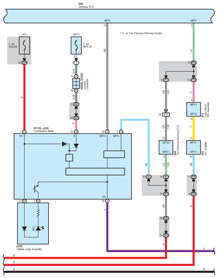
Fig 4: SRS - Wiring Diagram (4 Of 10)
G07557972Courtesy of © TOYOTA, LICENSE AGREEMENT TMS1002
Fig 5: SRS - Wiring Diagram (5 Of 10)
G07557973Courtesy of © TOYOTA, LICENSE AGREEMENT TMS1002
Fig 6: SRS - Wiring Diagram (6 Of 10)
G07557974Courtesy of © TOYOTA, LICENSE AGREEMENT TMS1002
Fig 7: SRS - Wiring Diagram (7 Of 10)
G07557975Courtesy of © TOYOTA, LICENSE AGREEMENT TMS1002
Fig 8: SRS - Wiring Diagram (8 Of 10)
G07557976Courtesy of © TOYOTA, LICENSE AGREEMENT TMS1002
Fig 9: SRS - Wiring Diagram (9 Of 10)
G07557977Courtesy of © TOYOTA, LICENSE AGREEMENT TMS1002
Fig 10: SRS - Wiring Diagram (10 Of 10)
G07557978Courtesy of © TOYOTA, LICENSE AGREEMENT TMS1002