lemon-mirror:
Home >> Lexus >> 2010 >> GS 450h >> Repair and Diagnosis >> Electrical >> Body Electrical >> OEM System Circuits >> Shift Lock >> Notes

Shift Lock: Notes

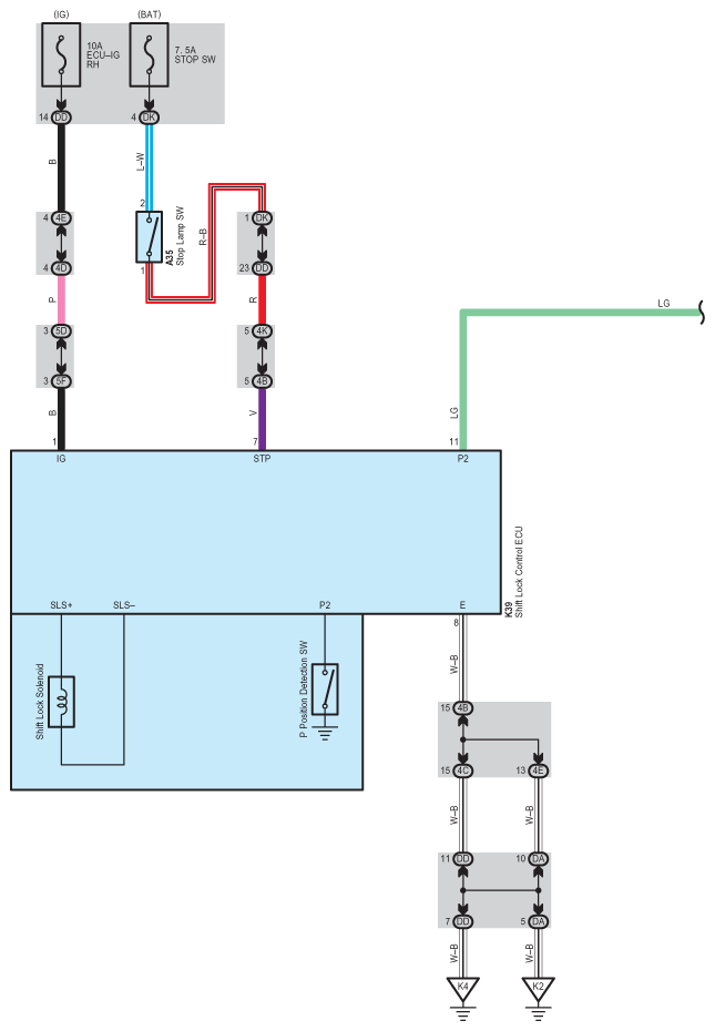
Fig 1: Shift Lock - Wiring Diagram (1 Of 3)
G07558022Courtesy of © TOYOTA, LICENSE AGREEMENT TMS1002
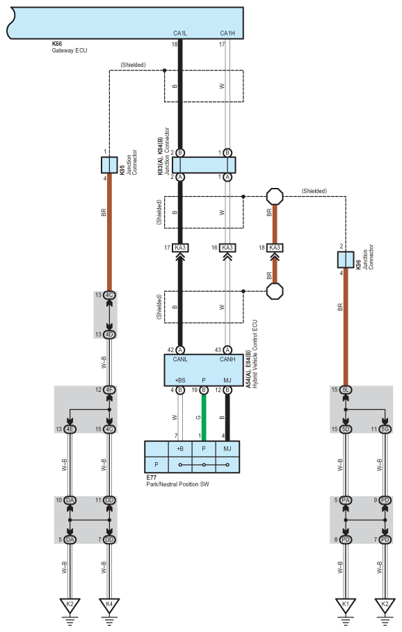
Fig 2: Shift Lock - Wiring Diagram (2 Of 3)
G07558023Courtesy of © TOYOTA, LICENSE AGREEMENT TMS1002
Fig 3: Shift Lock - Wiring Diagram (3 Of 3)
G07558024Courtesy of © TOYOTA, LICENSE AGREEMENT TMS1002