lemon-mirror:
Home >> Lexus >> 2010 >> GS 460 >> Repair and Diagnosis >> Electrical >> Body Electrical >> OEM System Circuits >> 4WD >> Notes

OEM System Circuits: 4WD: Notes

Fig 1: 4Wd - Circuit Diagram (1 Of 4)
G07627000Courtesy of © TOYOTA, LICENSE AGREEMENT TMS1002
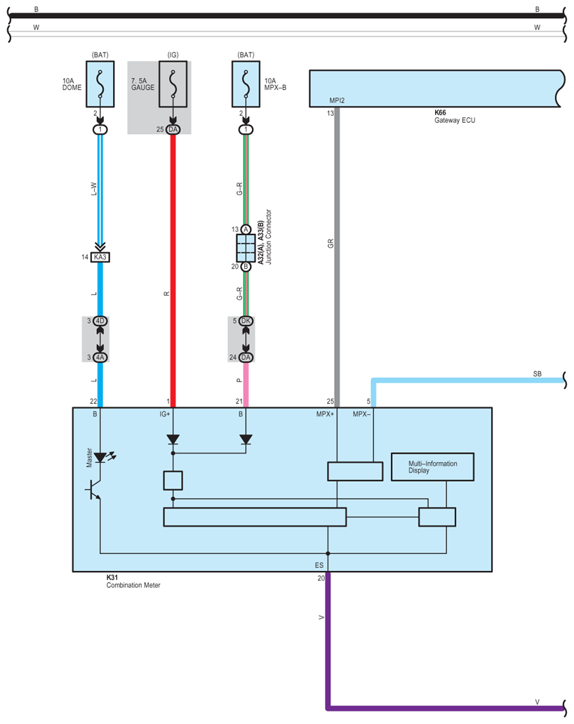
Fig 2: 4Wd - Circuit Diagram (2 Of 4)
G07627001Courtesy of © TOYOTA, LICENSE AGREEMENT TMS1002
Fig 3: 4Wd - Circuit Diagram (3 Of 4)
G07627002Courtesy of © TOYOTA, LICENSE AGREEMENT TMS1002
Fig 4: 4Wd - Circuit Diagram (4 Of 4)
G07627003Courtesy of © TOYOTA, LICENSE AGREEMENT TMS1002