lemon-mirror:
Home >> Lexus >> 2010 >> GS 460 >> Repair and Diagnosis >> Electrical >> Body Electrical >> OEM System Circuits >> Climate Control Seat >> Notes

Climate Control Seat: Notes

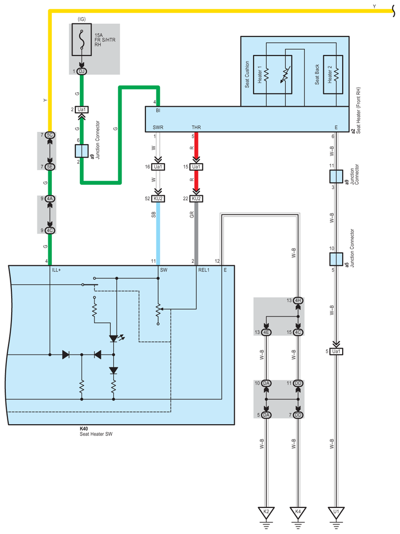
Fig 1: Climate Control Seat - Circuit Diagram (1 Of 5)
G07627093Courtesy of © TOYOTA, LICENSE AGREEMENT TMS1002
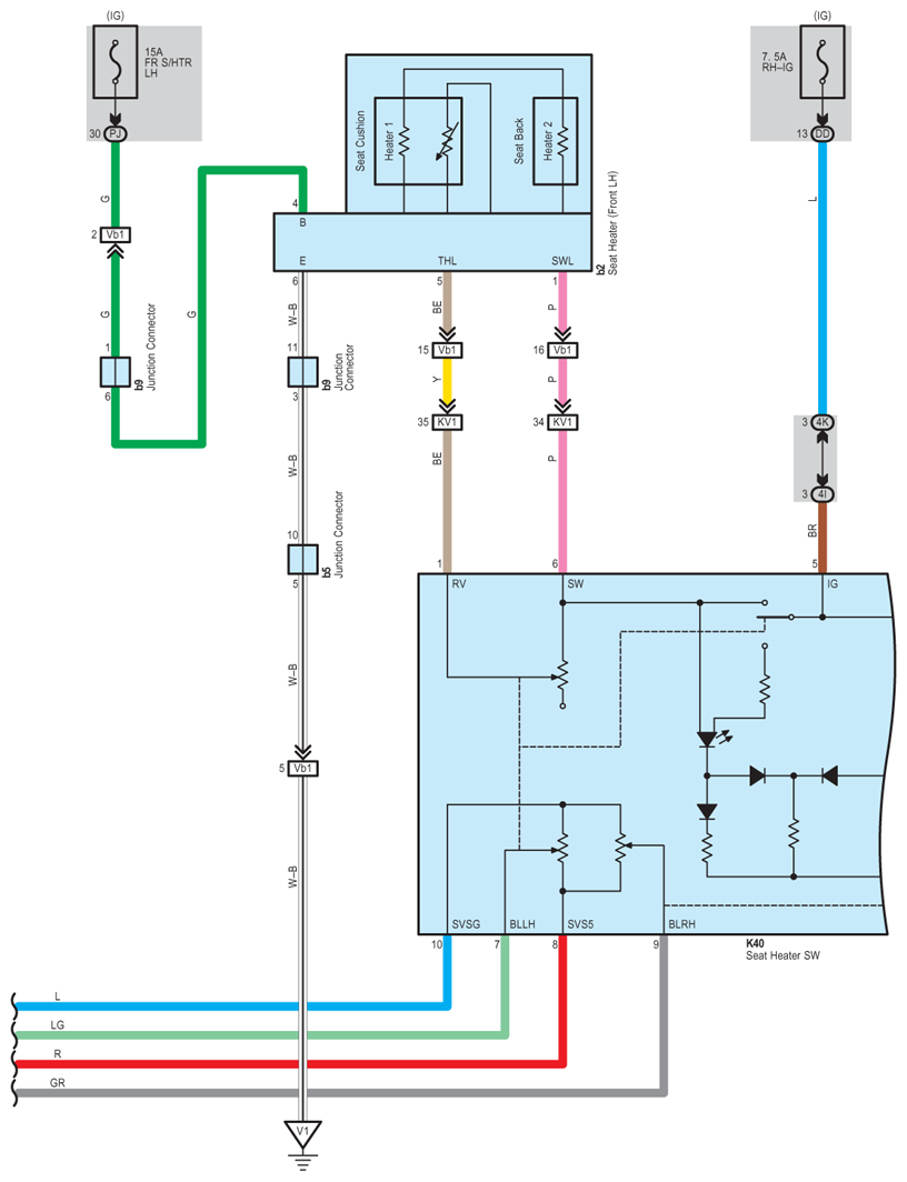
Fig 2: Climate Control Seat - Circuit Diagram (2 Of 5)
G07627094Courtesy of © TOYOTA, LICENSE AGREEMENT TMS1002
Fig 3: Climate Control Seat - Circuit Diagram (3 Of 5)
G07627095Courtesy of © TOYOTA, LICENSE AGREEMENT TMS1002
Fig 4: Climate Control Seat - Circuit Diagram (4 Of 5)
G07627096Courtesy of © TOYOTA, LICENSE AGREEMENT TMS1002
Fig 5: Climate Control Seat - Circuit Diagram (5 Of 5)
G07627097Courtesy of © TOYOTA, LICENSE AGREEMENT TMS1002