lemon-mirror:
Home >> Lexus >> 2010 >> GS 460 >> Repair and Diagnosis >> Electrical >> Body Electrical >> OEM System Circuits >> Front Fog Light >> Notes

Front Fog Light: Notes

Fig 1: Front Fog Light - Circuit Diagram (1 Of 5)
G07578892Courtesy of © TOYOTA, LICENSE AGREEMENT TMS1002
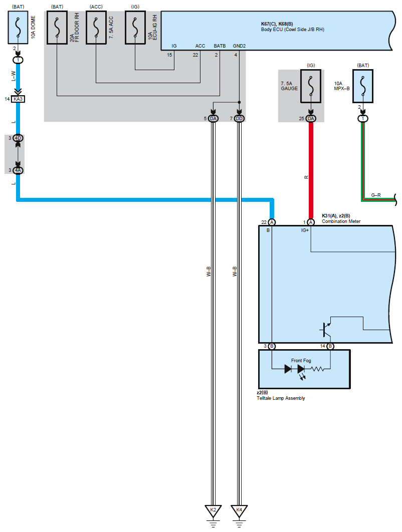
Fig 2: Front Fog Light - Circuit Diagram (2 Of 5)
G07578893Courtesy of © TOYOTA, LICENSE AGREEMENT TMS1002
Fig 3: Front Fog Light - Circuit Diagram (3 Of 5)
G07578894Courtesy of © TOYOTA, LICENSE AGREEMENT TMS1002
Fig 4: Front Fog Light - Circuit Diagram (4 Of 5)
G07578895Courtesy of © TOYOTA, LICENSE AGREEMENT TMS1002
Fig 5: Front Fog Light - Circuit Diagram (5 Of 5)
G07578896Courtesy of © TOYOTA, LICENSE AGREEMENT TMS1002