lemon-mirror:
Home >> Lexus >> 2010 >> GS 460 >> Repair and Diagnosis >> Electrical >> Body Electrical >> OEM System Circuits >> Rear Fog Light >> Notes

Rear Fog Light: Notes

Fig 1: Rear Fog Light - Circuit Diagram (1 Of 5)
G07578897Courtesy of © TOYOTA, LICENSE AGREEMENT TMS1002
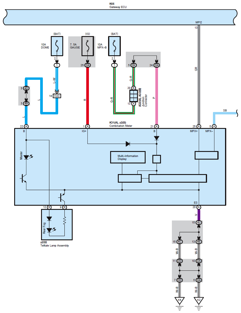
Fig 2: Rear Fog Light - Circuit Diagram (2 Of 5)
G07578898Courtesy of © TOYOTA, LICENSE AGREEMENT TMS1002
Fig 3: Rear Fog Light - Circuit Diagram (3 Of 5)
G07578899Courtesy of © TOYOTA, LICENSE AGREEMENT TMS1002
Fig 4: Rear Fog Light - Circuit Diagram (4 Of 5)
G07578900Courtesy of © TOYOTA, LICENSE AGREEMENT TMS1002
Fig 5: Rear Fog Light - Circuit Diagram (5 Of 5)
G07578901Courtesy of © TOYOTA, LICENSE AGREEMENT TMS1002