lemon-mirror:
Home >> Lexus >> 2010 >> GS 460 >> Repair and Diagnosis >> Electrical >> Body Electrical >> OEM System Circuits >> Shift Lock >> Notes

Shift Lock: Notes

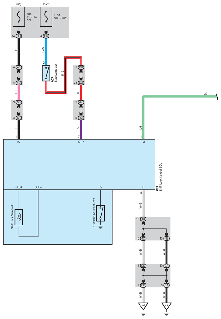
Fig 1: Shift Lock - Circuit Diagram (1 Of 3)
G07627060Courtesy of © TOYOTA, LICENSE AGREEMENT TMS1002
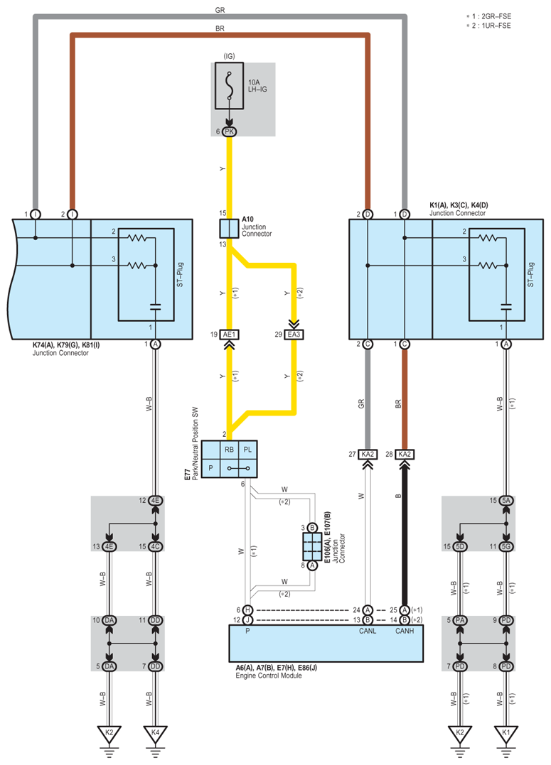
Fig 2: Shift Lock - Circuit Diagram (2 Of 3)
G07627061Courtesy of © TOYOTA, LICENSE AGREEMENT TMS1002
Fig 3: Shift Lock - Circuit Diagram (3 Of 3)
G07627062Courtesy of © TOYOTA, LICENSE AGREEMENT TMS1002