lemon-mirror:
Home >> Lexus >> 2010 >> GS 460 >> Repair and Diagnosis >> Electrical >> Body Electrical >> OEM System Circuits >> Tire Pressure Warning System >> Notes

Tire Pressure Warning System: Notes

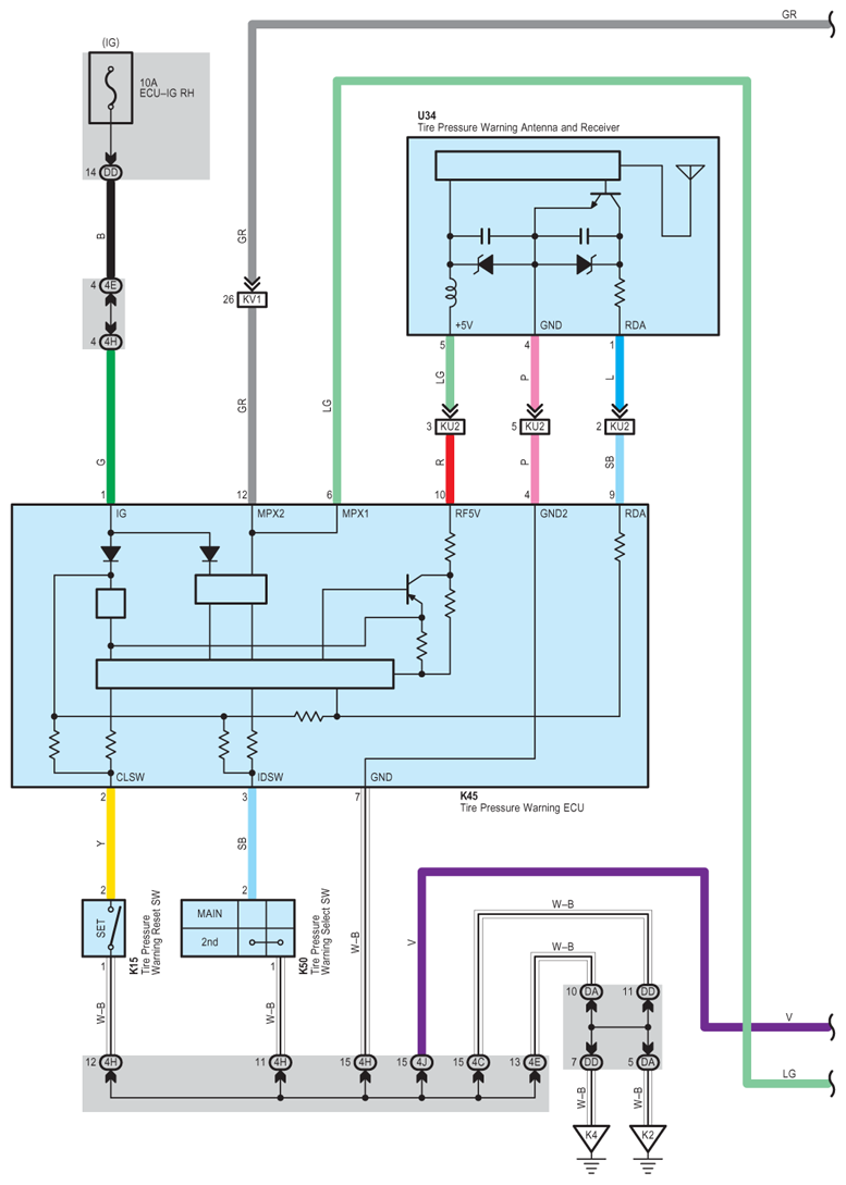
Fig 1: Tire Pressure Warning System - Circuit Diagram (1 Of 3)
G07627046Courtesy of © TOYOTA, LICENSE AGREEMENT TMS1002
Fig 2: Tire Pressure Warning System - Circuit Diagram (2 Of 3)
G07627047Courtesy of © TOYOTA, LICENSE AGREEMENT TMS1002
Fig 3: Tire Pressure Warning System - Circuit Diagram (3 Of 3)
G07627048Courtesy of © TOYOTA, LICENSE AGREEMENT TMS1002