lemon-mirror:
Home >> Lexus >> 2010 >> GS 460 >> Repair and Diagnosis >> Electrical >> Body Electrical >> OEM System Circuits >> Wireless Door Lock Control >> Notes

Wireless Door Lock Control: Notes

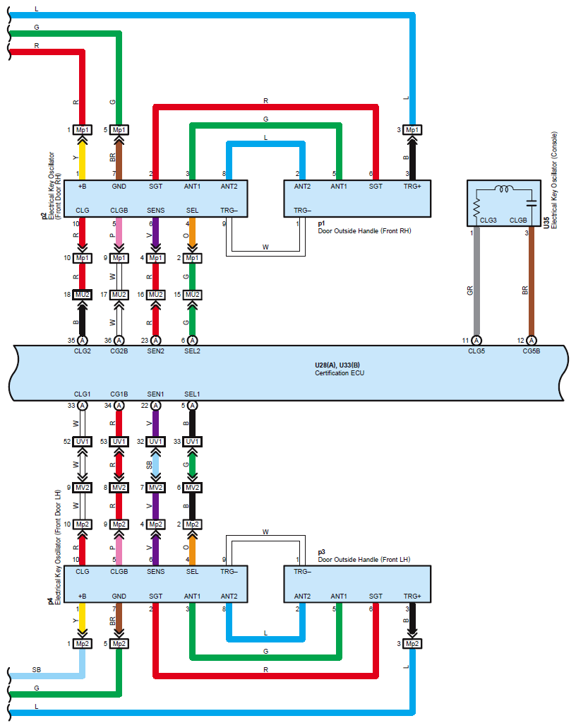
Fig 1: Wireless Door Lock Control - Circuit Diagram (1 Of 9)
G07578951Courtesy of © TOYOTA, LICENSE AGREEMENT TMS1002
Fig 2: Wireless Door Lock Control - Circuit Diagram (2 Of 9)
G07578952Courtesy of © TOYOTA, LICENSE AGREEMENT TMS1002
Fig 3: Wireless Door Lock Control - Circuit Diagram (3 Of 9)
G07578953Courtesy of © TOYOTA, LICENSE AGREEMENT TMS1002
Fig 4: Wireless Door Lock Control - Circuit Diagram (4 Of 9)
G07578954Courtesy of © TOYOTA, LICENSE AGREEMENT TMS1002
Fig 5: Wireless Door Lock Control - Circuit Diagram (5 Of 9)
G07578955Courtesy of © TOYOTA, LICENSE AGREEMENT TMS1002
Fig 6: Wireless Door Lock Control - Circuit Diagram (6 Of 9)
G07578956Courtesy of © TOYOTA, LICENSE AGREEMENT TMS1002
Fig 7: Wireless Door Lock Control - Circuit Diagram (7 Of 9)
G07578957Courtesy of © TOYOTA, LICENSE AGREEMENT TMS1002
Fig 8: Wireless Door Lock Control - Circuit Diagram (8 Of 9)
G07578958Courtesy of © TOYOTA, LICENSE AGREEMENT TMS1002
Fig 9: Wireless Door Lock Control - Circuit Diagram (9 Of 9)
G07578959Courtesy of © TOYOTA, LICENSE AGREEMENT TMS1002