lemon-mirror:
Home >> Lexus >> 2010 >> GX 460 >> Repair and Diagnosis >> Electrical >> Body Electrical >> OEM System Circuits >> Data Link Connector 3 >> Notes

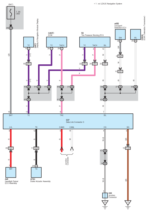
Data Link Connector 3: Notes

Fig 1: Data Link Connector 3 - Circuit Diagram
G07579314Courtesy of © TOYOTA, LICENSE AGREEMENT TMS1002