lemon-mirror:
Home >> Lexus >> 2010 >> GX 460 >> Repair and Diagnosis >> Electrical >> Body Electrical >> OEM System Circuits >> Pre-Collision System >> Notes

Pre-Collision System: Notes

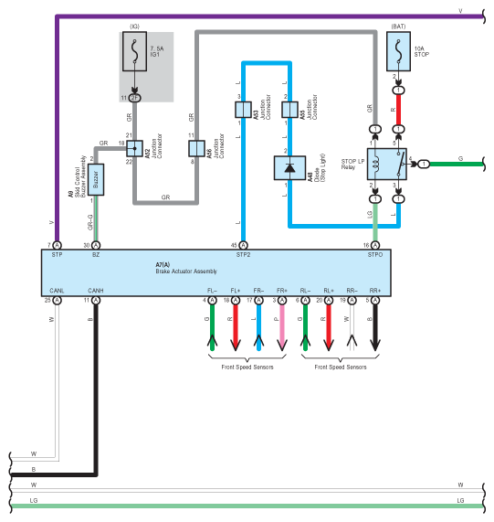
Fig 1: Pre-Collision System - Circuit Diagram (1 Of 10)
G07579454Courtesy of © TOYOTA, LICENSE AGREEMENT TMS1002
Fig 2: Pre-Collision System - Circuit Diagram (2 Of 10)
G07579455Courtesy of © TOYOTA, LICENSE AGREEMENT TMS1002
Fig 3: Pre-Collision System - Circuit Diagram (3 Of 10)
G07579456Courtesy of © TOYOTA, LICENSE AGREEMENT TMS1002
Fig 4: Pre-Collision System - Circuit Diagram (4 Of 10)
G07579457Courtesy of © TOYOTA, LICENSE AGREEMENT TMS1002
Fig 5: Pre-Collision System - Circuit Diagram (5 Of 10)
G07579458Courtesy of © TOYOTA, LICENSE AGREEMENT TMS1002
Fig 6: Pre-Collision System - Circuit Diagram (6 Of 10)
G07579459Courtesy of © TOYOTA, LICENSE AGREEMENT TMS1002
Fig 7: Pre-Collision System - Circuit Diagram (7 Of 10)
G07579460Courtesy of © TOYOTA, LICENSE AGREEMENT TMS1002
Fig 8: Pre-Collision System - Circuit Diagram (8 Of 10)
G07579461Courtesy of © TOYOTA, LICENSE AGREEMENT TMS1002
Fig 9: Pre-Collision System - Circuit Diagram (9 Of 10)
G07579462Courtesy of © TOYOTA, LICENSE AGREEMENT TMS1002
Fig 10: Pre-Collision System - Circuit Diagram (10 Of 10)
G07579463Courtesy of © TOYOTA, LICENSE AGREEMENT TMS1002