lemon-mirror:
Home >> Lexus >> 2010 >> GX 460 >> Repair and Diagnosis >> Electrical >> Body Electrical >> OEM System Circuits >> Trailer Towing >> Notes

Trailer Towing: Notes

Fig 1: Trailer Towing - Circuit Diagram (1 Of 5)
G07579536Courtesy of © TOYOTA, LICENSE AGREEMENT TMS1002
Fig 2: Trailer Towing - Circuit Diagram (2 Of 5)
G07579537Courtesy of © TOYOTA, LICENSE AGREEMENT TMS1002
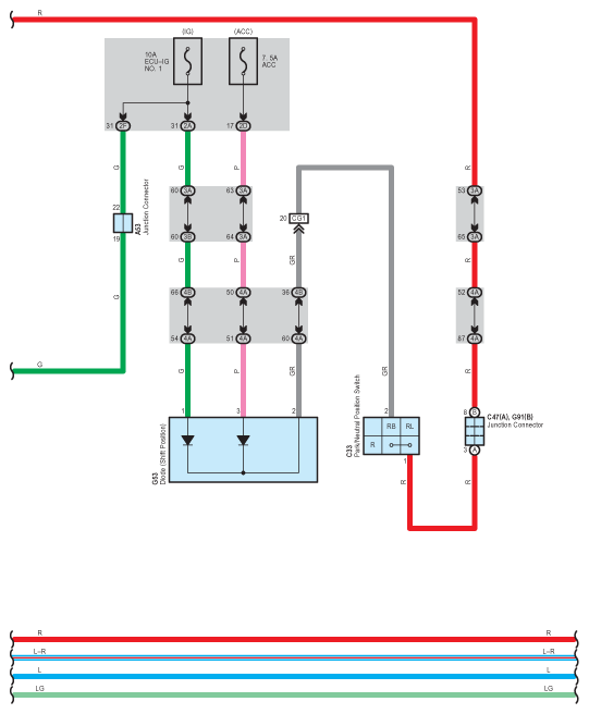
Fig 3: Trailer Towing - Circuit Diagram (3 Of 5)
G07579538Courtesy of © TOYOTA, LICENSE AGREEMENT TMS1002
Fig 4: Trailer Towing - Circuit Diagram (4 Of 5)
G07579539Courtesy of © TOYOTA, LICENSE AGREEMENT TMS1002
Fig 5: Trailer Towing - Circuit Diagram (5 Of 5)
G07579540Courtesy of © TOYOTA, LICENSE AGREEMENT TMS1002