lemon-mirror:
Home >> Lexus >> 2010 >> GX 460 >> Repair and Diagnosis >> Electrical >> Component Locations >> Electrical Component Locator >> Component Location Graphics

Component Location Graphics

NOTE: Figures may show multiple component locations. Refer to appropriate table for proper figure references.
Fig 1: Engine Compartment
G00477723Courtesy of © TOYOTA, LICENSE AGREEMENT TMS1002
Fig 2: Dash
G00477724Courtesy of © TOYOTA, LICENSE AGREEMENT TMS1002
Fig 3: Vehicle Overview
G00477725Courtesy of © TOYOTA, LICENSE AGREEMENT TMS1002
Fig 4: Front Seat
G00477726Courtesy of © TOYOTA, LICENSE AGREEMENT TMS1002
Fig 5: Rear No. 2 Seat
G00477727Courtesy of © TOYOTA, LICENSE AGREEMENT TMS1002
Fig 6: Engine Room R/B Assembly
G00477728Courtesy of © TOYOTA, LICENSE AGREEMENT TMS1002
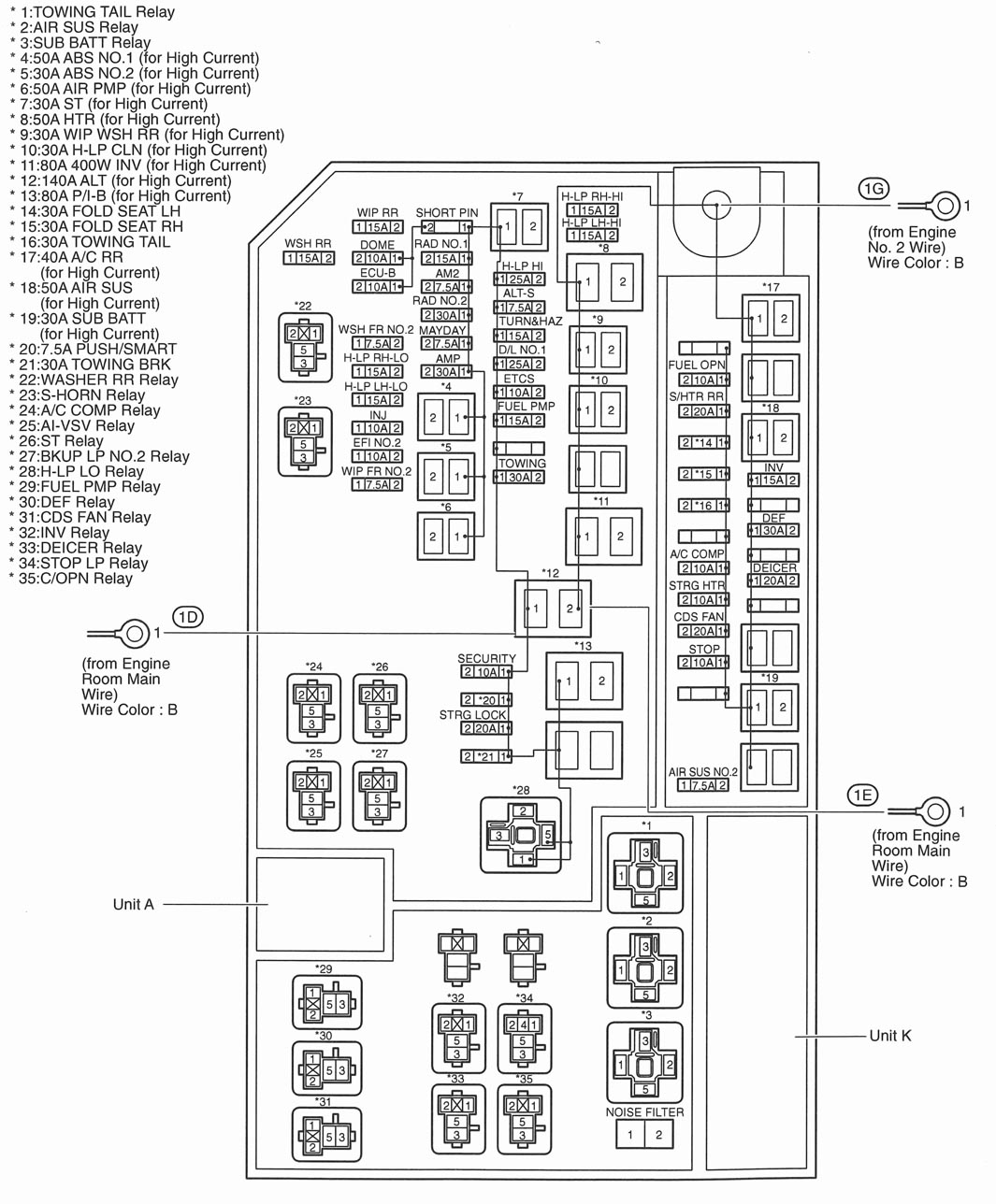
Fig 7: Engine Room R/B Assembly Unit A
G00477729Courtesy of © TOYOTA, LICENSE AGREEMENT TMS1002
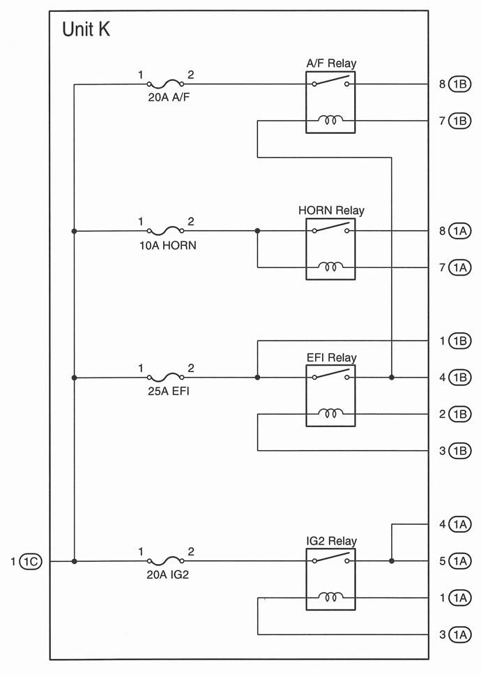
Fig 8: Engine Room R/B Assembly Unit K
G00477730Courtesy of © TOYOTA, LICENSE AGREEMENT TMS1002
Fig 9: Engine Room R/B No. 3
G00477731Courtesy of © TOYOTA, LICENSE AGREEMENT TMS1002
Fig 10: Engine Compartment
G00477732Courtesy of © TOYOTA, LICENSE AGREEMENT TMS1002
Fig 11: Engine Compartment
G00477733Courtesy of © TOYOTA, LICENSE AGREEMENT TMS1002
Fig 12: Engine Compartment
G00477734Courtesy of © TOYOTA, LICENSE AGREEMENT TMS1002
Fig 13: Engine Compartment
G00477735Courtesy of © TOYOTA, LICENSE AGREEMENT TMS1002
Fig 14: Dash
G00477736Courtesy of © TOYOTA, LICENSE AGREEMENT TMS1002
Fig 15: Dash
G00477737Courtesy of © TOYOTA, LICENSE AGREEMENT TMS1002
Fig 16: Dash
G00477738Courtesy of © TOYOTA, LICENSE AGREEMENT TMS1002
Fig 17: Dash
G00477739Courtesy of © TOYOTA, LICENSE AGREEMENT TMS1002
Fig 18: Vehicle Overview
G00477740Courtesy of © TOYOTA, LICENSE AGREEMENT TMS1002
Fig 19: Vehicle Overview
G00477741Courtesy of © TOYOTA, LICENSE AGREEMENT TMS1002
Fig 20: Vehicle Overview
G00477742Courtesy of © TOYOTA, LICENSE AGREEMENT TMS1002
Fig 21: Vehicle Overview
G00477743Courtesy of © TOYOTA, LICENSE AGREEMENT TMS1002
Fig 22: Front Seat
G00477744Courtesy of © TOYOTA, LICENSE AGREEMENT TMS1002
Fig 23: Rear No. 1 Seat
G00477745Courtesy of © TOYOTA, LICENSE AGREEMENT TMS1002
Fig 24: Rear No. 2 Seat
G00477746Courtesy of © TOYOTA, LICENSE AGREEMENT TMS1002
Fig 25: Engine Compartment
G00477747Courtesy of © TOYOTA, LICENSE AGREEMENT TMS1002
Fig 26: Engine Compartment
G00477748Courtesy of © TOYOTA, LICENSE AGREEMENT TMS1002
Fig 27: Dash
G00477749Courtesy of © TOYOTA, LICENSE AGREEMENT TMS1002
Fig 28: Dash
G00477750Courtesy of © TOYOTA, LICENSE AGREEMENT TMS1002
Fig 29: Dash
G00477751Courtesy of © TOYOTA, LICENSE AGREEMENT TMS1002
Fig 30: Vehicle Overview
G00477752Courtesy of © TOYOTA, LICENSE AGREEMENT TMS1002
Fig 31: Vehicle Overview
G00477753Courtesy of © TOYOTA, LICENSE AGREEMENT TMS1002
Fig 32: Front Seat
G00477754Courtesy of © TOYOTA, LICENSE AGREEMENT TMS1002
Fig 33: Rear No. 1 Seat
G00477755Courtesy of © TOYOTA, LICENSE AGREEMENT TMS1002
Fig 34: Rear No. 2 Seat
G00477756Courtesy of © TOYOTA, LICENSE AGREEMENT TMS1002
Fig 35: Vehicle Overview
G00477757Courtesy of © TOYOTA, LICENSE AGREEMENT TMS1002