lemon-mirror:
Home >> Lexus >> 2010 >> HS 250h >> Repair and Diagnosis >> Electrical >> Body Electrical >> OEM System Circuits >> Adaptive Front-Lighting System or Headlight Beam Level Control >> Notes

Adaptive Front-Lighting System or Headlight Beam Level Control: Notes

Fig 1: Adaptive Front-Lighting System Or Headlight Beam Level Control - Circuit Diagram (1 Of 5)
G07558562Courtesy of © TOYOTA, LICENSE AGREEMENT TMS1002
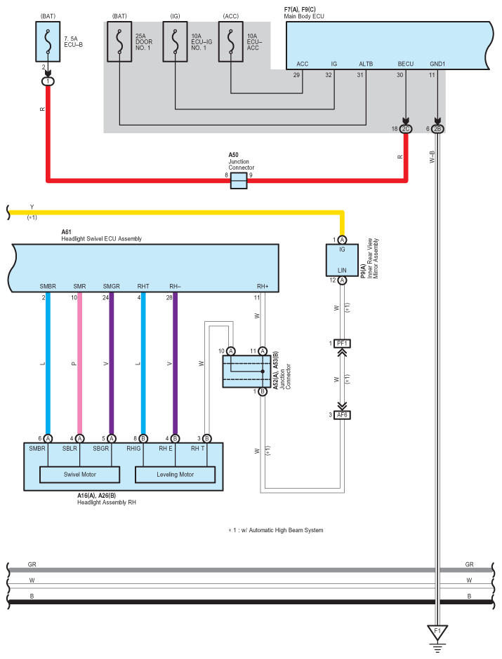
Fig 2: Adaptive Front-Lighting System Or Headlight Beam Level Control - Circuit Diagram (2 Of 5)
G07558563Courtesy of © TOYOTA, LICENSE AGREEMENT TMS1002
Fig 3: Adaptive Front-Lighting System Or Headlight Beam Level Control - Circuit Diagram (3 Of 5)
G07558564Courtesy of © TOYOTA, LICENSE AGREEMENT TMS1002
Fig 4: Adaptive Front-Lighting System Or Headlight Beam Level Control - Circuit Diagram (4 Of 5)
G07558565Courtesy of © TOYOTA, LICENSE AGREEMENT TMS1002
Fig 5: Adaptive Front-Lighting System Or Headlight Beam Level Control - Circuit Diagram (5 Of 5)
G07558566Courtesy of © TOYOTA, LICENSE AGREEMENT TMS1002