lemon-mirror:
Home >> Lexus >> 2010 >> HS 250h >> Repair and Diagnosis >> Electrical >> Body Electrical >> OEM System Circuits >> Interior Light >> Notes

Interior Light: Notes

Fig 1: Interior Light - Circuit Diagram (1 Of 7)
G07558475Courtesy of © TOYOTA, LICENSE AGREEMENT TMS1002
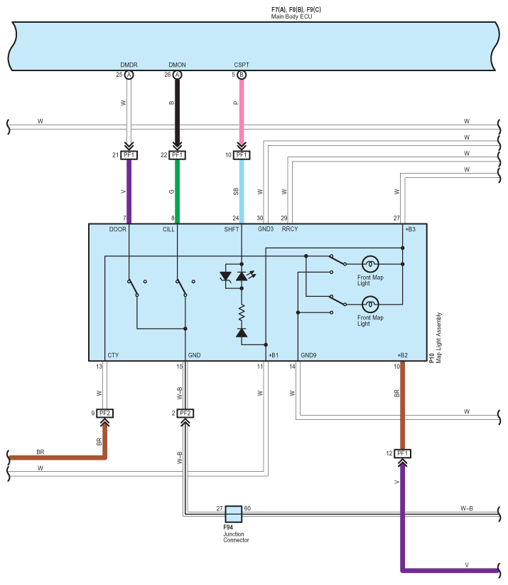
Fig 2: Interior Light - Circuit Diagram (2 Of 7)
G07558476Courtesy of © TOYOTA, LICENSE AGREEMENT TMS1002
Fig 3: Interior Light - Circuit Diagram (3 Of 7)
G07558477Courtesy of © TOYOTA, LICENSE AGREEMENT TMS1002
Fig 4: Interior Light - Circuit Diagram (4 Of 7)
G07558478Courtesy of © TOYOTA, LICENSE AGREEMENT TMS1002
Fig 5: Interior Light - Circuit Diagram (5 Of 7)
G07558479Courtesy of © TOYOTA, LICENSE AGREEMENT TMS1002
Fig 6: Interior Light - Circuit Diagram (6 Of 7)
G07558480Courtesy of © TOYOTA, LICENSE AGREEMENT TMS1002
Fig 7: Interior Light - Circuit Diagram (7 Of 7)
G07558481Courtesy of © TOYOTA, LICENSE AGREEMENT TMS1002