lemon-mirror:
Home >> Lexus >> 2010 >> HS 250h >> Repair and Diagnosis >> Electrical >> Body Electrical >> OEM System Circuits >> Power Window >> Notes

Power Window: Notes

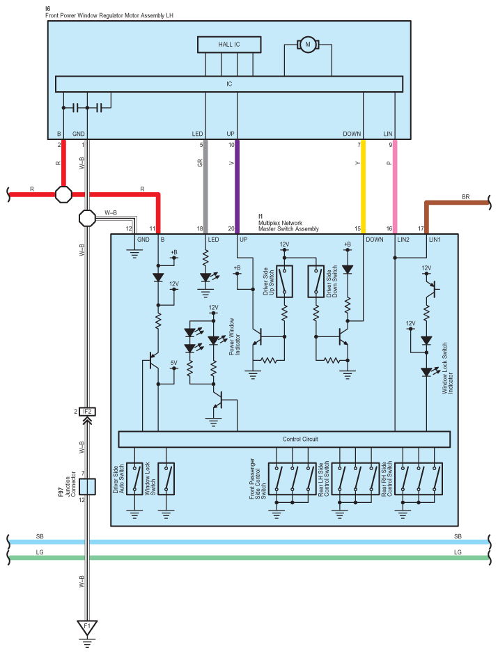
Fig 1: Power Window - Circuit Diagram (1 Of 6)
G07558493Courtesy of © TOYOTA, LICENSE AGREEMENT TMS1002
Fig 2: Power Window - Circuit Diagram (2 Of 6)
G07558494Courtesy of © TOYOTA, LICENSE AGREEMENT TMS1002
Fig 3: Power Window - Circuit Diagram (3 Of 6)
G07558495Courtesy of © TOYOTA, LICENSE AGREEMENT TMS1002
Fig 4: Power Window - Circuit Diagram (4 Of 6)
G07558496Courtesy of © TOYOTA, LICENSE AGREEMENT TMS1002
Fig 5: Power Window - Circuit Diagram (5 Of 6)
G07558497Courtesy of © TOYOTA, LICENSE AGREEMENT TMS1002
Fig 6: Power Window - Circuit Diagram (6 Of 6)
G07558498Courtesy of © TOYOTA, LICENSE AGREEMENT TMS1002