lemon-mirror:
Home >> Lexus >> 2010 >> IS 350 >> Repair and Diagnosis >> Electrical >> Body Electrical >> OEM System Circuits >> Adaptive Front-Lighting System >> Notes

Adaptive Front-Lighting System: Notes

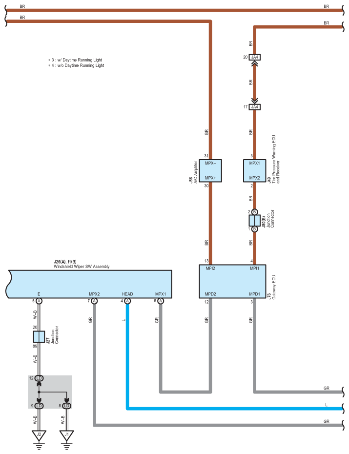
Fig 1: Adaptive Front-Lighting System - Circuit Diagram (1 Of 7)
G07559058Courtesy of © TOYOTA, LICENSE AGREEMENT TMS1002
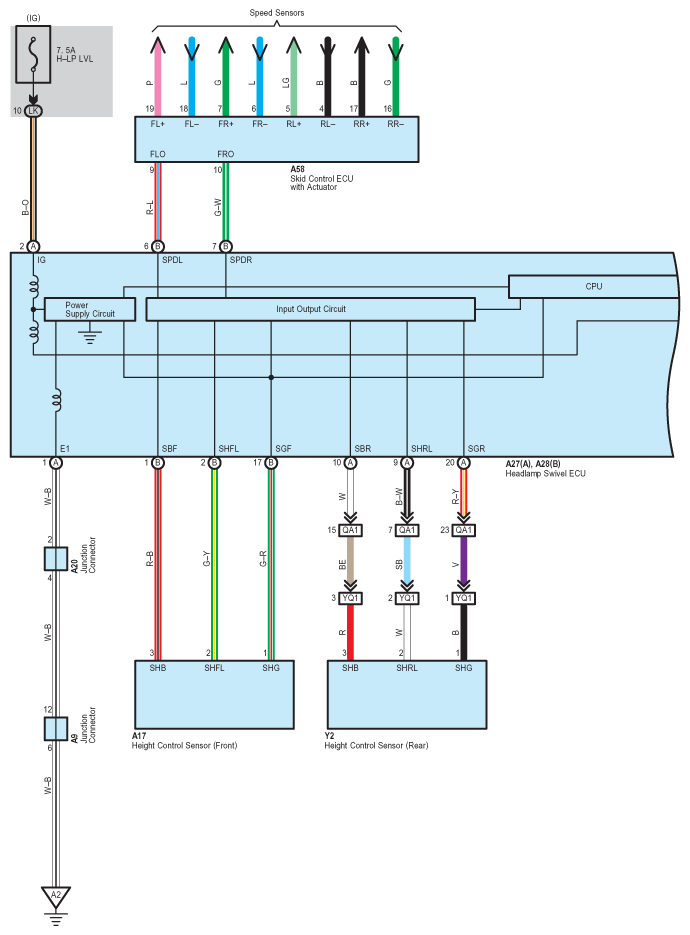
Fig 2: Adaptive Front-Lighting System - Circuit Diagram (2 Of 7)
G07559059Courtesy of © TOYOTA, LICENSE AGREEMENT TMS1002
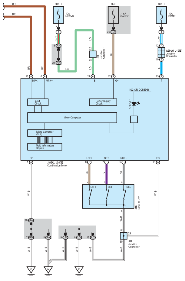
Fig 3: Adaptive Front-Lighting System - Circuit Diagram (3 Of 7)
G07559060Courtesy of © TOYOTA, LICENSE AGREEMENT TMS1002
Fig 4: Adaptive Front-Lighting System - Circuit Diagram (4 Of 7)
G07559061Courtesy of © TOYOTA, LICENSE AGREEMENT TMS1002
Fig 5: Adaptive Front-Lighting System - Circuit Diagram (5 Of 7)
G07559062Courtesy of © TOYOTA, LICENSE AGREEMENT TMS1002
Fig 6: Adaptive Front-Lighting System - Circuit Diagram (6 Of 7)
G07559063Courtesy of © TOYOTA, LICENSE AGREEMENT TMS1002
Fig 7: Adaptive Front-Lighting System - Circuit Diagram (7 Of 7)
G07559064Courtesy of © TOYOTA, LICENSE AGREEMENT TMS1002