lemon-mirror:
Home >> Lexus >> 2010 >> IS 350 >> Repair and Diagnosis >> Electrical >> Body Electrical >> OEM System Circuits >> Headlight Cleaner >> Notes

Headlight Cleaner: Notes

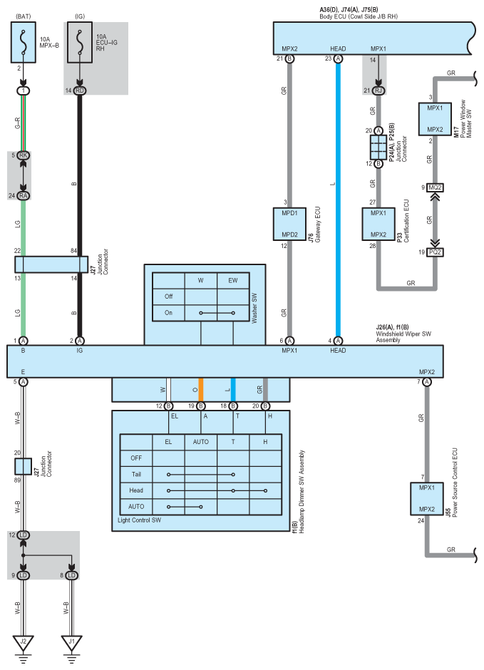
Fig 1: Headlight Cleaner - Circuit Diagram (1 Of 2)
G07559065Courtesy of © TOYOTA, LICENSE AGREEMENT TMS1002
Fig 2: Headlight Cleaner - Circuit Diagram (2 Of 2)
G07559066Courtesy of © TOYOTA, LICENSE AGREEMENT TMS1002