lemon-mirror:
Home >> Lexus >> 2010 >> IS 350 >> Repair and Diagnosis >> Electrical >> Body Electrical >> OEM System Circuits >> Rear Sunshade >> Notes

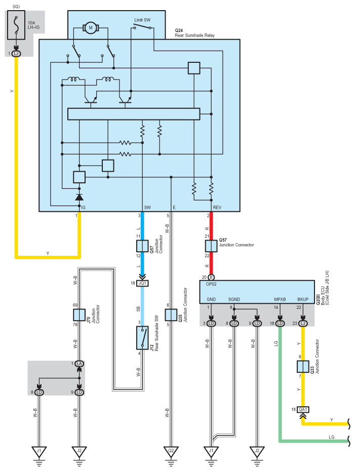
Rear Sunshade: Notes

Fig 1: Rear Sunshade - Circuit Diagram (1 Of 2)
G07559202Courtesy of © TOYOTA, LICENSE AGREEMENT TMS1002
Fig 2: Rear Sunshade - Circuit Diagram (2 Of 2)
G07559203Courtesy of © TOYOTA, LICENSE AGREEMENT TMS1002