lemon-mirror:
Home >> Lexus >> 2010 >> IS 350 >> Repair and Diagnosis >> Electrical >> Body Electrical >> OEM System Circuits >> Smart Access System with Push-Button Start >> Notes

Smart Access System with Push-Button Start: Notes

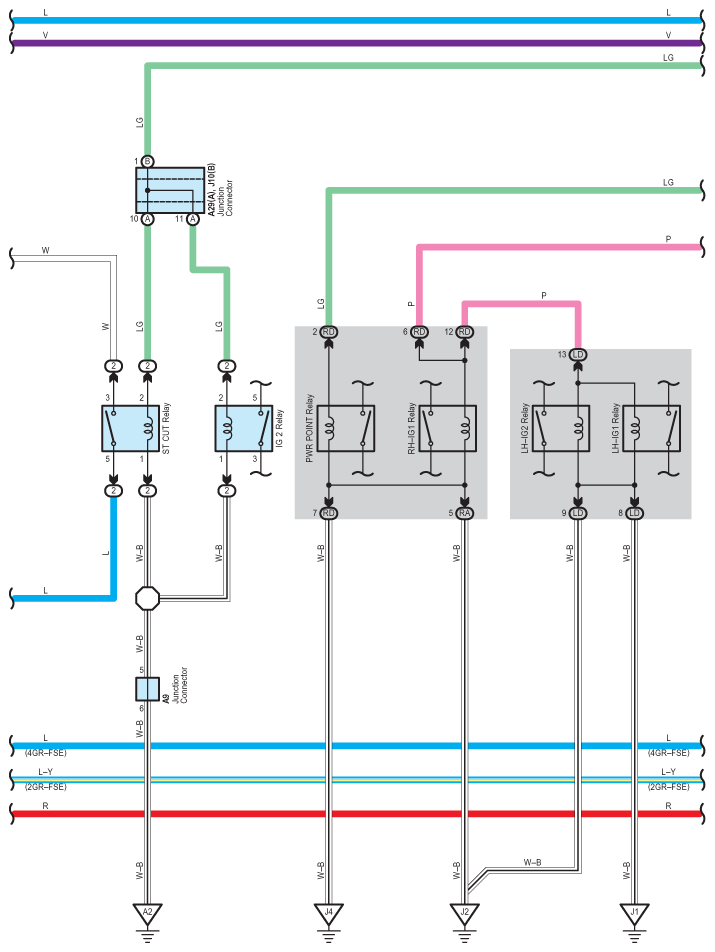
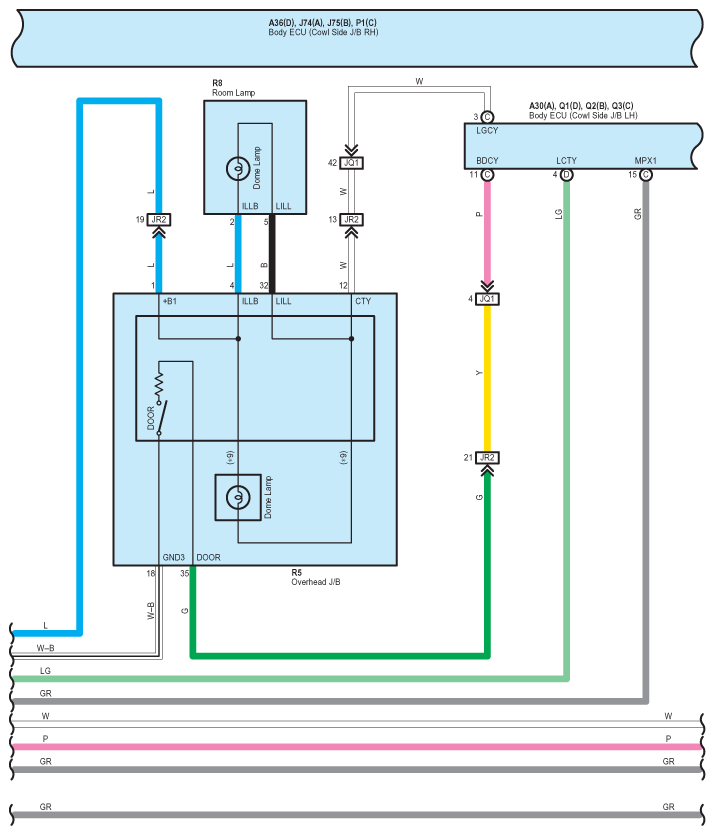
Fig 1: Smart Access System With Push-Button Start - Circuit Diagram (1 Of 20)
G07558933Courtesy of © TOYOTA, LICENSE AGREEMENT TMS1002
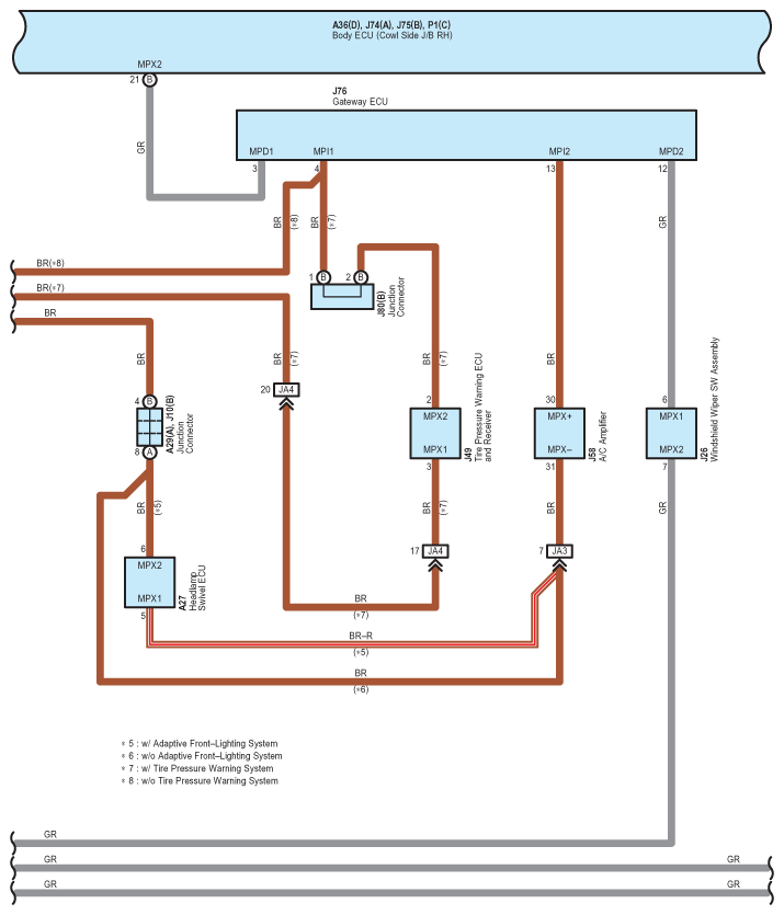
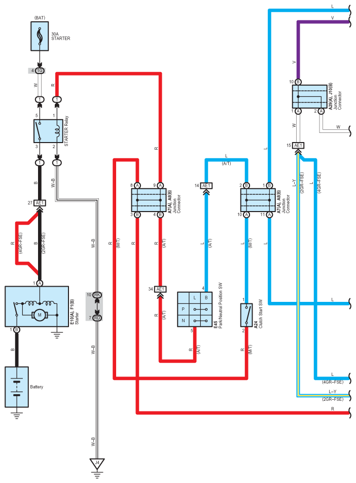
Fig 2: Smart Access System With Push-Button Start - Circuit Diagram (2 Of 20)
G07558934Courtesy of © TOYOTA, LICENSE AGREEMENT TMS1002
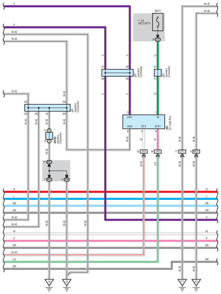
Fig 3: Smart Access System With Push-Button Start - Circuit Diagram (3 Of 20)
G07558935Courtesy of © TOYOTA, LICENSE AGREEMENT TMS1002
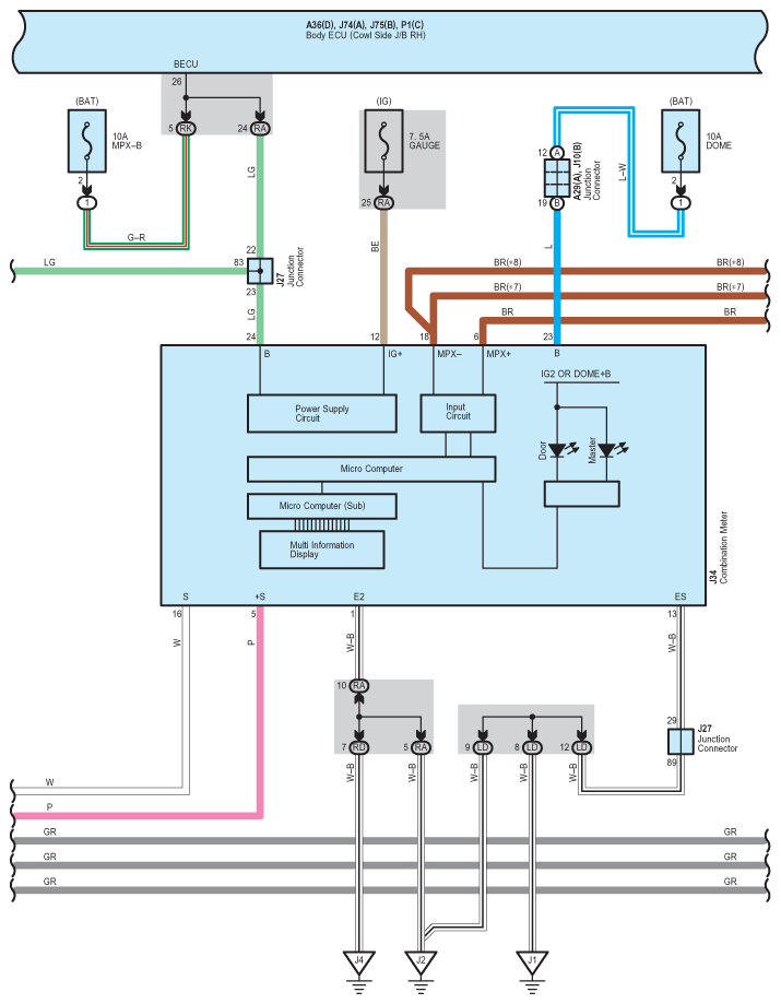
Fig 4: Smart Access System With Push-Button Start - Circuit Diagram (4 Of 20)
G07558936Courtesy of © TOYOTA, LICENSE AGREEMENT TMS1002
Fig 5: Smart Access System With Push-Button Start - Circuit Diagram (5 Of 20)
G07558937Courtesy of © TOYOTA, LICENSE AGREEMENT TMS1002
Fig 6: Smart Access System With Push-Button Start - Circuit Diagram (6 Of 20)
G07558938Courtesy of © TOYOTA, LICENSE AGREEMENT TMS1002
Fig 7: Smart Access System With Push-Button Start - Circuit Diagram (7 Of 20)
G07558939Courtesy of © TOYOTA, LICENSE AGREEMENT TMS1002
Fig 8: Smart Access System With Push-Button Start - Circuit Diagram (8 Of 20)
G07558940Courtesy of © TOYOTA, LICENSE AGREEMENT TMS1002
Fig 9: Smart Access System With Push-Button Start - Circuit Diagram (9 Of 20)
G07558941Courtesy of © TOYOTA, LICENSE AGREEMENT TMS1002
Fig 10: Smart Access System With Push-Button Start - Circuit Diagram (10 Of 20)
G07558942Courtesy of © TOYOTA, LICENSE AGREEMENT TMS1002
Fig 11: Smart Access System With Push-Button Start - Circuit Diagram (11 Of 20)
G07558943Courtesy of © TOYOTA, LICENSE AGREEMENT TMS1002
Fig 12: Smart Access System With Push-Button Start - Circuit Diagram (12 Of 20)
G07558944Courtesy of © TOYOTA, LICENSE AGREEMENT TMS1002
Fig 13: Smart Access System With Push-Button Start - Circuit Diagram (13 Of 20)
G07558945Courtesy of © TOYOTA, LICENSE AGREEMENT TMS1002
Fig 14: Smart Access System With Push-Button Start - Circuit Diagram (14 Of 20)
G07558946Courtesy of © TOYOTA, LICENSE AGREEMENT TMS1002
Fig 15: Smart Access System With Push-Button Start - Circuit Diagram (15 Of 20)
G07558947Courtesy of © TOYOTA, LICENSE AGREEMENT TMS1002
Fig 16: Smart Access System With Push-Button Start - Circuit Diagram (16 Of 20)
G07558948Courtesy of © TOYOTA, LICENSE AGREEMENT TMS1002
Fig 17: Smart Access System With Push-Button Start - Circuit Diagram (17 Of 20)
G07558949Courtesy of © TOYOTA, LICENSE AGREEMENT TMS1002
Fig 18: Smart Access System With Push-Button Start - Circuit Diagram (18 Of 20)
G07558950Courtesy of © TOYOTA, LICENSE AGREEMENT TMS1002
Fig 19: Smart Access System With Push-Button Start - Circuit Diagram (19 Of 20)
G07558951Courtesy of © TOYOTA, LICENSE AGREEMENT TMS1002
Fig 20: Smart Access System With Push-Button Start - Circuit Diagram (20 Of 20)
G07558952Courtesy of © TOYOTA, LICENSE AGREEMENT TMS1002