lemon-mirror:
Home >> Lexus >> 2010 >> IS 350C >> Repair and Diagnosis >> Electrical >> Body Electrical >> OEM System Circuits >> Charging >> Notes

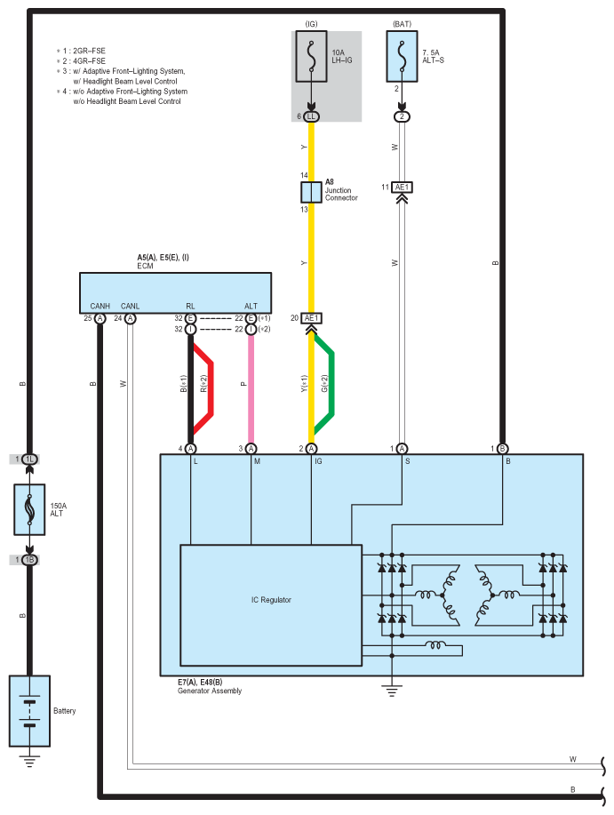
OEM System Circuits: Charging: Notes

Fig 1: Charging - Circuit Diagram (1 Of 2)
G07567056Courtesy of © TOYOTA, LICENSE AGREEMENT TMS1002
Fig 2: Charging - Circuit Diagram (2 Of 2)
G07567057Courtesy of © TOYOTA, LICENSE AGREEMENT TMS1002