lemon-mirror:
Home >> Lexus >> 2010 >> IS 350C >> Repair and Diagnosis >> Electrical >> Body Electrical >> OEM System Circuits >> Light Auto Turn Off System >> Notes

Light Auto Turn Off System: Notes

Fig 1: Light Auto Turn Off System - Circuit Diagram (1 Of 5)
G07567152Courtesy of © TOYOTA, LICENSE AGREEMENT TMS1002
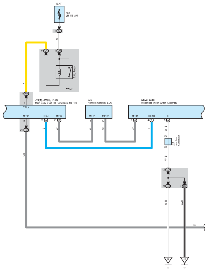
Fig 2: Light Auto Turn Off System - Circuit Diagram (2 Of 5)
G07567153Courtesy of © TOYOTA, LICENSE AGREEMENT TMS1002
Fig 3: Light Auto Turn Off System - Circuit Diagram (3 Of 5)
G07567154Courtesy of © TOYOTA, LICENSE AGREEMENT TMS1002
Fig 4: Light Auto Turn Off System - Circuit Diagram (4 Of 5)
G07567155Courtesy of © TOYOTA, LICENSE AGREEMENT TMS1002
Fig 5: Light Auto Turn Off System - Circuit Diagram (5 Of 5)
G07567156Courtesy of © TOYOTA, LICENSE AGREEMENT TMS1002