lemon-mirror:
Home >> Lexus >> 2010 >> IS 350C >> Repair and Diagnosis >> Electrical >> Body Electrical >> OEM System Circuits >> Multiplex Communication System (BEAN) >> Notes

Multiplex Communication System (BEAN): Notes

Fig 1: Multiplex Communication System (Bean) - Circuit Diagram (1 Of 3)
G07567094Courtesy of © TOYOTA, LICENSE AGREEMENT TMS1002
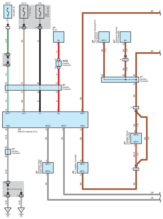
Fig 2: Multiplex Communication System (Bean) - Circuit Diagram (2 Of 3)
G07567095Courtesy of © TOYOTA, LICENSE AGREEMENT TMS1002
Fig 3: Multiplex Communication System (Bean) - Circuit Diagram (3 Of 3)
G07567096Courtesy of © TOYOTA, LICENSE AGREEMENT TMS1002