lemon-mirror:
Home >> Lexus >> 2010 >> IS 350C >> Repair and Diagnosis >> Electrical >> Body Electrical >> OEM System Circuits >> SRS >> Notes

OEM System Circuits: SRS: Notes

NOTE: When inspecting or repairing the SRS, perform service in accordance with the following precautionary instructions and the procedure, and precautions in the service information applicable for the model year.
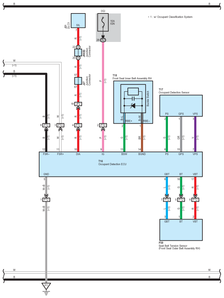
Fig 1: SRS - Circuit Diagram (1 Of 6)
G07567272Courtesy of © TOYOTA, LICENSE AGREEMENT TMS1002
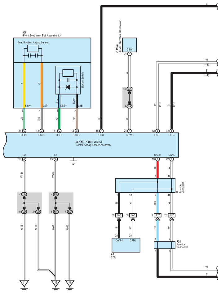
Fig 2: SRS - Circuit Diagram (2 Of 6)
G07567273Courtesy of © TOYOTA, LICENSE AGREEMENT TMS1002
Fig 3: SRS - Circuit Diagram (3 Of 6)
G07567274Courtesy of © TOYOTA, LICENSE AGREEMENT TMS1002
Fig 4: SRS - Circuit Diagram (4 Of 6)
G07567275Courtesy of © TOYOTA, LICENSE AGREEMENT TMS1002
Fig 5: SRS - Circuit Diagram (5 Of 6)
G07567276Courtesy of © TOYOTA, LICENSE AGREEMENT TMS1002
Fig 6: SRS - Circuit Diagram (6 Of 6)
G07567277Courtesy of © TOYOTA, LICENSE AGREEMENT TMS1002