lemon-mirror:
Home >> Lexus >> 2010 >> IS 350C >> Repair and Diagnosis >> Electrical >> Body Electrical >> OEM System Circuits >> Smart Access System with Push-Button Start >> Notes

Smart Access System with Push-Button Start: Notes

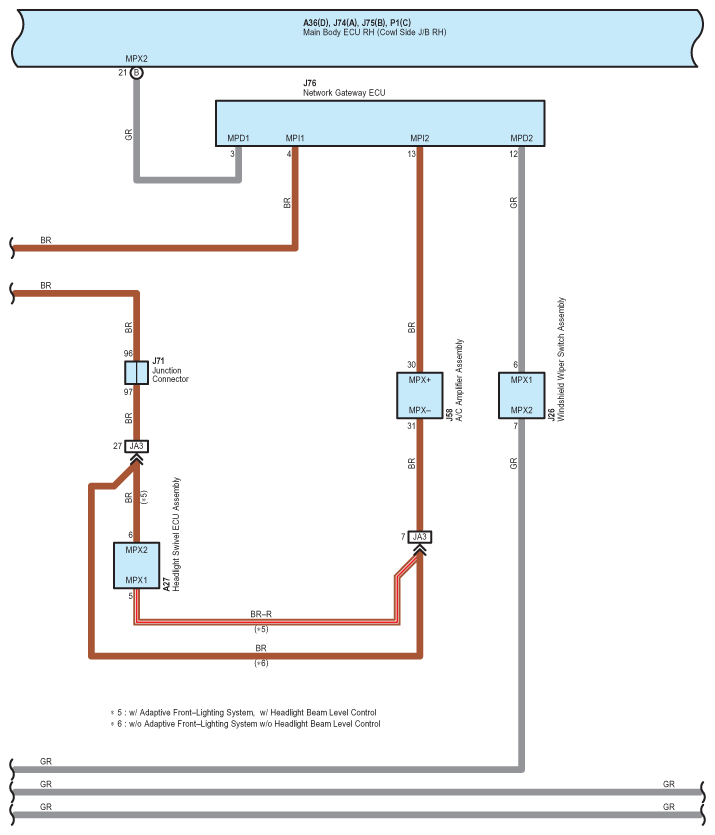
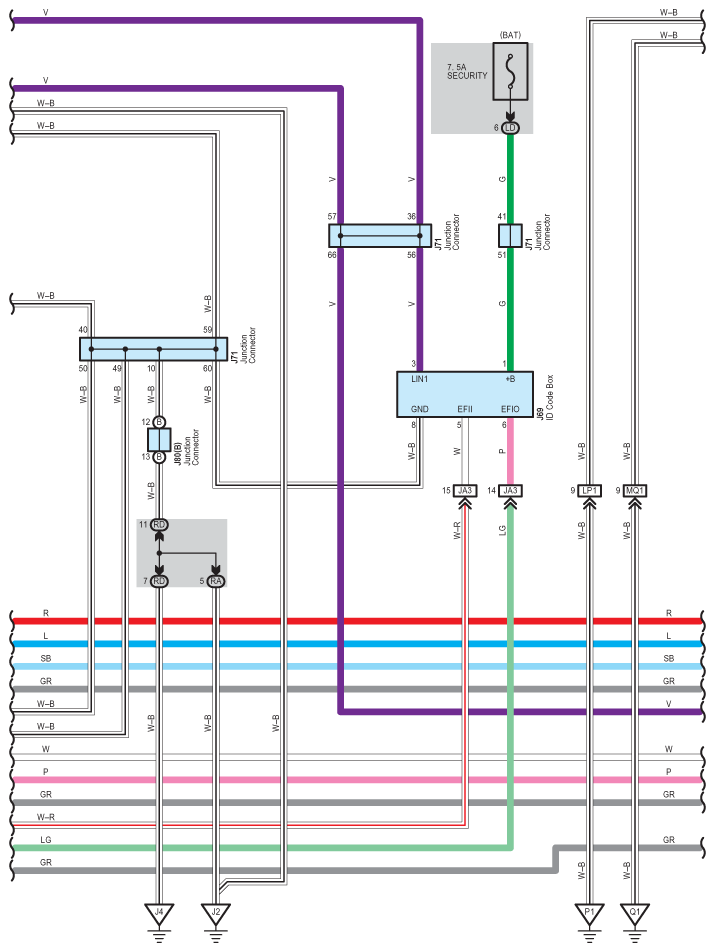
Fig 1: Smart Access System With Push-Button Start - Circuit Diagram (1 Of 18)
G07567034Courtesy of © TOYOTA, LICENSE AGREEMENT TMS1002
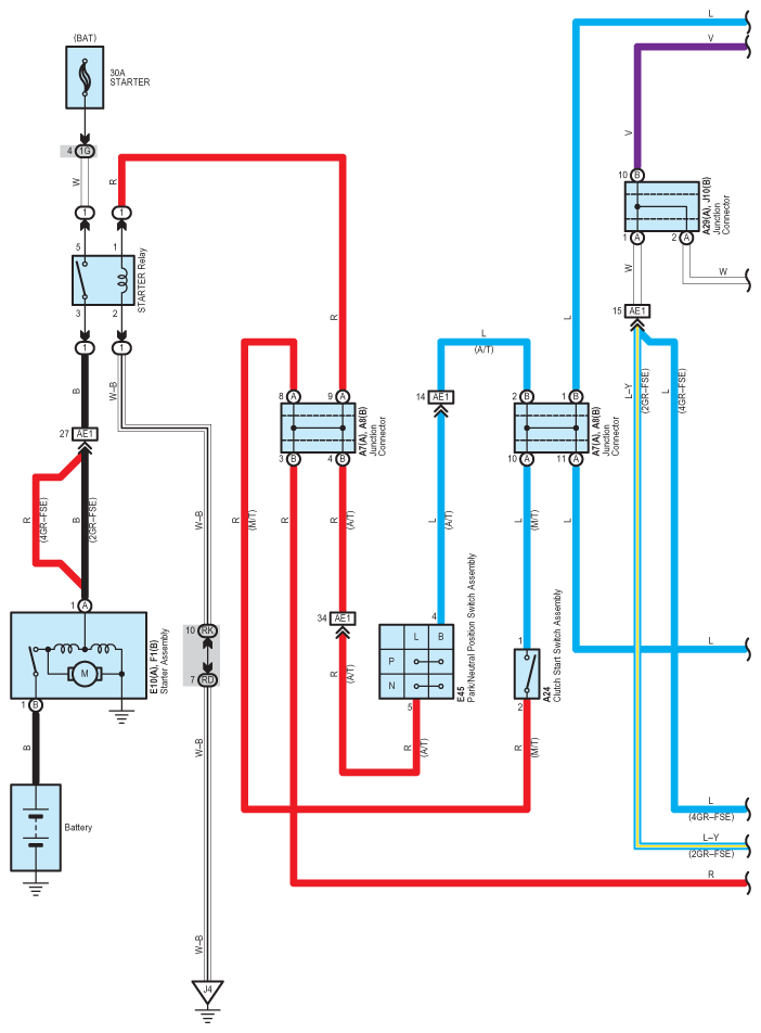
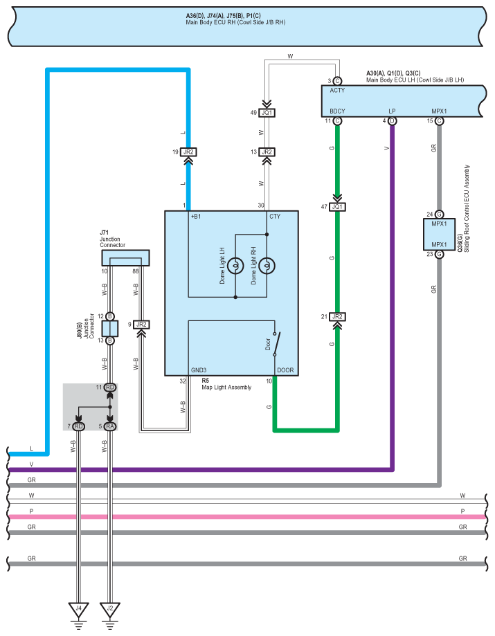
Fig 2: Smart Access System With Push-Button Start - Circuit Diagram (2 Of 18)
G07567035Courtesy of © TOYOTA, LICENSE AGREEMENT TMS1002
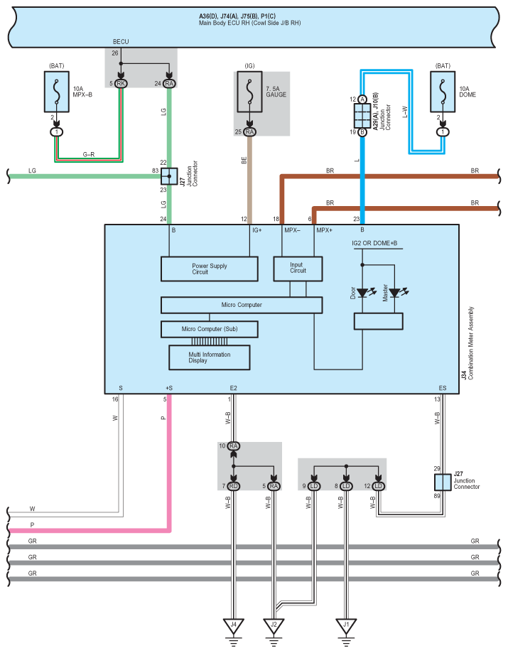
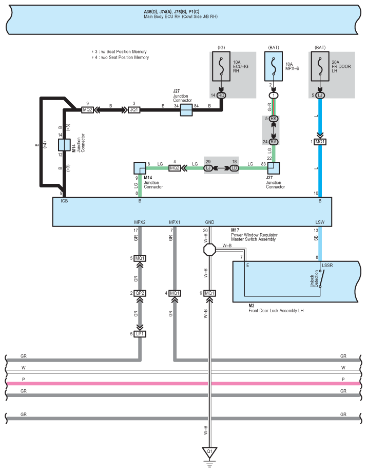
Fig 3: Smart Access System With Push-Button Start - Circuit Diagram (3 Of 18)
G07567036Courtesy of © TOYOTA, LICENSE AGREEMENT TMS1002
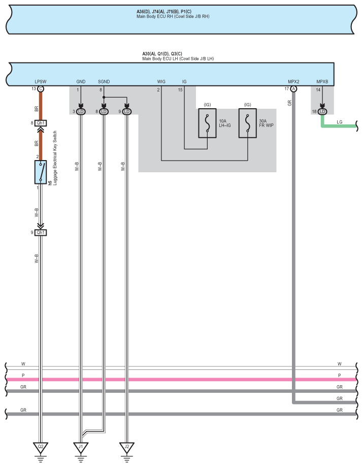
Fig 4: Smart Access System With Push-Button Start - Circuit Diagram (4 Of 18)
G07567037Courtesy of © TOYOTA, LICENSE AGREEMENT TMS1002
Fig 5: Smart Access System With Push-Button Start - Circuit Diagram (5 Of 18)
G07567038Courtesy of © TOYOTA, LICENSE AGREEMENT TMS1002
Fig 6: Smart Access System With Push-Button Start - Circuit Diagram (6 Of 18)
G07567039Courtesy of © TOYOTA, LICENSE AGREEMENT TMS1002
Fig 7: Smart Access System With Push-Button Start - Circuit Diagram (7 Of 18)
G07567040Courtesy of © TOYOTA, LICENSE AGREEMENT TMS1002
Fig 8: Smart Access System With Push-Button Start - Circuit Diagram (8 Of 18)
G07567041Courtesy of © TOYOTA, LICENSE AGREEMENT TMS1002
Fig 9: Smart Access System With Push-Button Start - Circuit Diagram (9 Of 18)
G07567042Courtesy of © TOYOTA, LICENSE AGREEMENT TMS1002
Fig 10: Smart Access System With Push-Button Start - Circuit Diagram (10 Of 18)
G07567043Courtesy of © TOYOTA, LICENSE AGREEMENT TMS1002
Fig 11: Smart Access System With Push-Button Start - Circuit Diagram (11 Of 18)
G07567044Courtesy of © TOYOTA, LICENSE AGREEMENT TMS1002
Fig 12: Smart Access System With Push-Button Start - Circuit Diagram (12 Of 18)
G07567045Courtesy of © TOYOTA, LICENSE AGREEMENT TMS1002
Fig 13: Smart Access System With Push-Button Start - Circuit Diagram (13 Of 18)
G07567046Courtesy of © TOYOTA, LICENSE AGREEMENT TMS1002
Fig 14: Smart Access System With Push-Button Start - Circuit Diagram (14 Of 18)
G07567047Courtesy of © TOYOTA, LICENSE AGREEMENT TMS1002
Fig 15: Smart Access System With Push-Button Start - Circuit Diagram (15 Of 18)
G07567048Courtesy of © TOYOTA, LICENSE AGREEMENT TMS1002
Fig 16: Smart Access System With Push-Button Start - Circuit Diagram (16 Of 18)
G07567049Courtesy of © TOYOTA, LICENSE AGREEMENT TMS1002
Fig 17: Smart Access System With Push-Button Start - Circuit Diagram (17 Of 18)
G07567050Courtesy of © TOYOTA, LICENSE AGREEMENT TMS1002
Fig 18: Smart Access System With Push-Button Start - Circuit Diagram (18 Of 18)
G07567051Courtesy of © TOYOTA, LICENSE AGREEMENT TMS1002